EasyManua.ls Logo

Mercury 50

Mercury 50
599 pages
To Next Page IconTo Next Page
To Next Page IconTo Next Page
To Previous Page IconTo Previous Page
To Previous Page IconTo Previous Page
Loading...
LT.BLU/WHT
BLUE
14 BLACK
RED
BLACK
GRN/WHT
GREEN
14 BLACK
RED
BLACK
DN
UP
RED/PPL
GRN/WHT
LT.BLU/WHT
GRN/WHT
LT.BLU/WHTLT.BLU/WHT
GRN/WHT
WHT/BLK
WHT/RED
BLU
BRN
BLK/ORG
BLK
BLK/WHT
YEL/RED
WHT
YEL/BLK
PNK/WHT
PNK
PNK/BLK
GRY/BLK
12
3
456
789
PNK/BLK
PNK
PNK/WHT
YEL/BLK
WHT
YEL/RED
BLK/WHT
BLK
BLK/ORG
GRY/BLK
BRN
BLU
WHT/BLK
WHT/RED
BRN
BLU
WHT/BLK
WHT/RED
79
3
64
2
8
5
1
1
1
1
12
2
2
2
WHT/RED
WHT/BLK
BLU
BRN
GRN
GRN
GRN
1–BLK/WHT
2–BLK
3–BLK/ORG
4–YEL/BLK
5–WHT
6–YEL/RED
7–PNK/BLK
8–PNK
9–PNK/WHT
1–BLK/WHT
2–BLK
3–RED/WHT
4–EMPTY
5–BLK/YEL
6–EMPTY
7–TAN/BLK
8–TAN/BLU
9–TAN/WHT
TAN/BLK
TAN/BLU
TAN/WHT
BLK/YEL
BLK/WHT
BLK
RED/WHT
GRY
GRN
BLK
GRN
RED
GRN/WHT
GRN/WHT
12
3
12
3
GRN
GRN
GRN/WHT
GRN
GRN
GRN
BLK
GRN/WHT GRN/WHT
RED RED/PPL
1–GRN
2–GRN
3–GRN/WHT
1–GRN
2–GRN
3–GRN
1
2
3
4
5
6
7
8
BLACK
GRN/WHT
YEL/RED
RED/PPL
BLK/YEL
PURPLE
TAN/BLU
BLK
BLK
BLK
BLK
GND
BLK
BLK
BLK
BLK
ORG
ORG
ORG
ORG
PPL
TAN/BLK
RED/WHT
BLK/WHT
TAN/WHT
TAN/WHT
TAN/WHT
BLK
BLK BRN
YEL/RED
YEL W/BLK ENDS
RED
RED
GRY/BLK
PNK/BLK
PNK
PNK/WHT
YEL/BLK
WHT
YEL/RED
BLK/WHT
BLK
BLK/ORG
BRN
BLU
WHT/RED
WHT/BLK
GND
AB
RED
RED/PPL
RED
RED
BLK
BLK
BLK
BLK
BLU/YEL
BLU BLU/YEL
BLK BLK
BLK
BLK
BLK
BLK
BLK
BLK BLK
GRN/WHT GRN/WHT
GRN/WHT
GRY/BLKGRY
BLK BLK
1
2
3
4
1
4
2
3
YEL/BLK
YEL/BLK
a
b
c
d
e
f
g
h
i
j
k
l
m
n
o
p
q
r
o
s
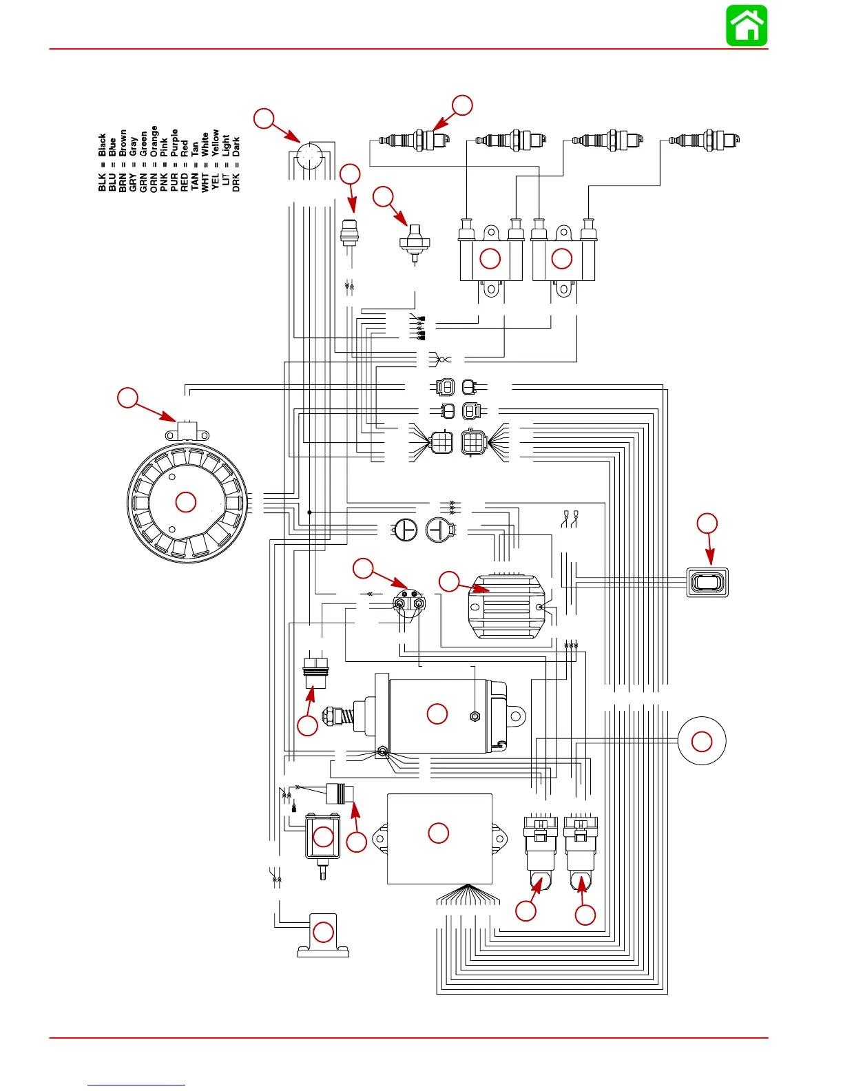
WIRING DIAGRAMS
Page 2D-2 90-828631R3 MARCH 1999
Electric Start Wiring Diagram
a-PTC Heater
b-Solenoid Coil
c-CDI Unit
d-Trim Down Relay
e-Trim Up Relay
f-Starter
g-Trim Pump
h-20 Amp Fuse
i-Starter Relay
j-Voltage Regulator
k-Cowl Mounted Trim Switch
l-Stator
m-Trigger
n-Oil Pressure Switch
o-Ignition Coil
p-Remote Wiring Plug
q-Spark Plugs
r-Block Temperature Switch
s-Thermo Switch

Table of Contents

Other manuals for Mercury 50

Related product manuals