EasyManua.ls Logo

Mercury 50

Mercury 50
599 pages
To Next Page IconTo Next Page
To Next Page IconTo Next Page
To Previous Page IconTo Previous Page
To Previous Page IconTo Previous Page
Loading...
CYLINDER BLOCK/CRANKCASE
Page 4B-3590-828631R3 MARCH 1999
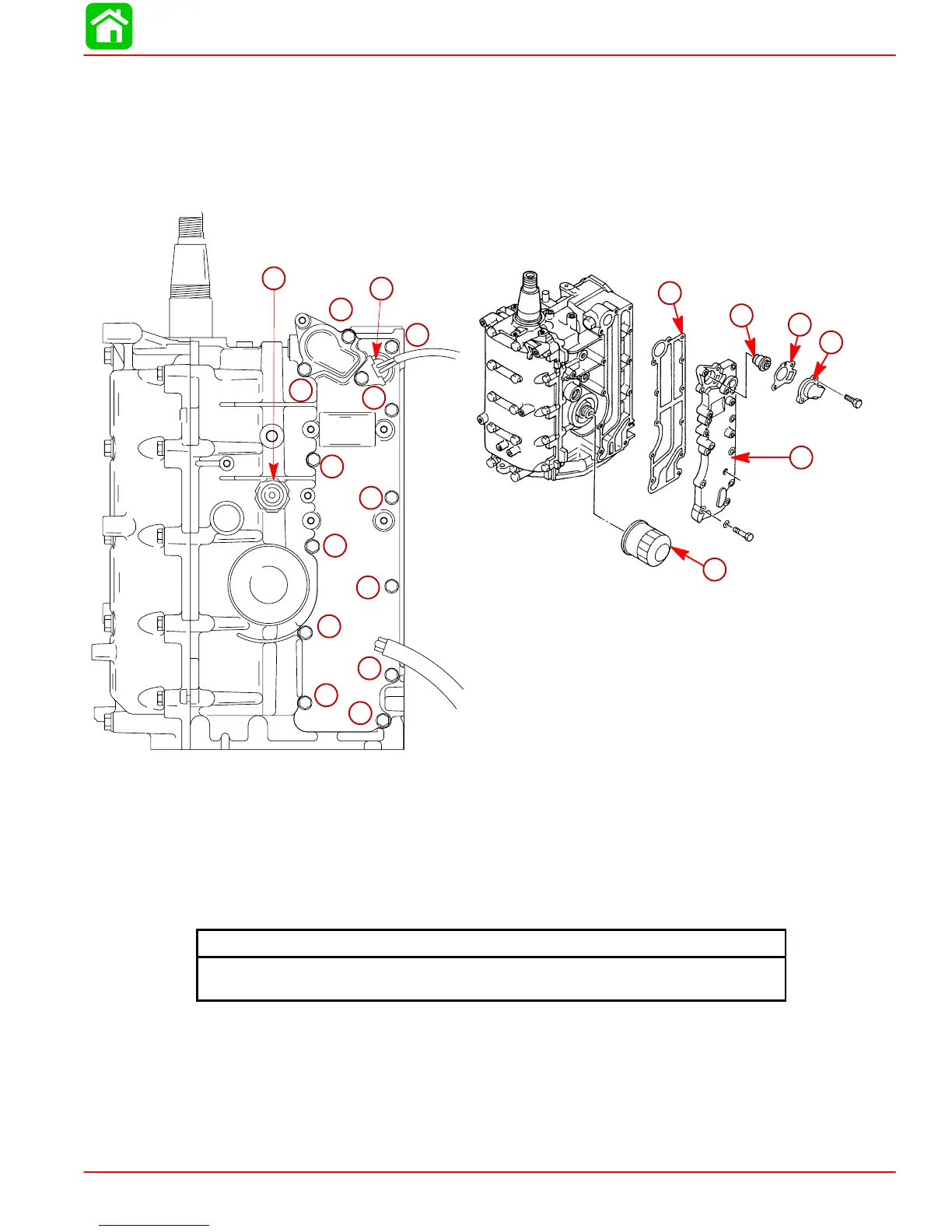
Exhaust Cover Installation
1. Install oil filter.
2. Install exhaust cover along with the thermostat and thermostat cover. Use new gaskets.
3. Tighten bolts in sequence and in two steps to the specified torque.
4. Install the oil pressure and temperature switch.
53746
a
h
e
d
c
b
g
f
8
11
7
4
1
3
2
5
6
10
9
12
a-Exhaust Cover
b-Gasket
c-Thermostat
d-Gasket
e-Thermostat Cover
f-Oil Pressure Switch
g-Temperature Switch
h-Oil Filter
Exhaust and Thermostat Cover Bolt Torque
1st: 53 lb-in. (6 Nm)
2nd: 106 lb-in. (12 Nm)

Table of Contents

Other manuals for Mercury 50

Related product manuals