EasyManua.ls Logo

Mercury 50

Mercury 50
599 pages
To Next Page IconTo Next Page
To Next Page IconTo Next Page
To Previous Page IconTo Previous Page
To Previous Page IconTo Previous Page
Loading...
1
2
3
4
5
6
7
8
9
10
11
12
13
14
15
16
17
18
39
19
20
21
22
23
24
25
26
27
28
29
30
31
32
33
34
35
36
37
38
95
95
95
41
22
40
95
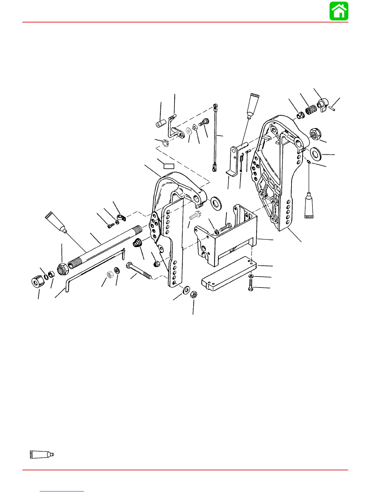
2-4-C w/Teflon (92-825407A12)
42
CLAMP/SWIVEL BRACKETS & DRIVESHAFT HOUSING
Page 5A-2 90-828631R3 MARCH 1999
Transom Bracket

Table of Contents

Other manuals for Mercury 50

Related product manuals