EasyManua.ls Logo

Mercury 50

Mercury 50
599 pages
To Next Page IconTo Next Page
To Next Page IconTo Next Page
To Previous Page IconTo Previous Page
To Previous Page IconTo Previous Page
Loading...
2
3
4
5
6
7
8
9
10
11
12
13
14
15
16
17
18
19
20
21
22
23
24
25
26
27
30
31
32
33
34
28
35
36
37
5
3
10
13
14
9
9
9
17
1
29
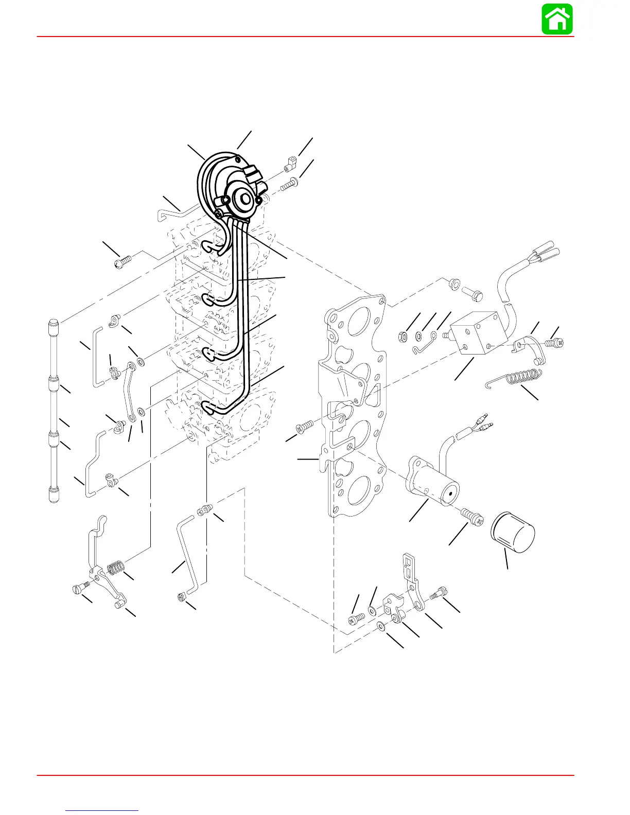
CARBURETOR
Page 3B-4 90-828631R3 MARCH 1999
Carburetor Linkage

Table of Contents

Other manuals for Mercury 50

Related product manuals