EasyManua.ls Logo

Mercury 50

Mercury 50
599 pages
To Next Page IconTo Next Page
To Next Page IconTo Next Page
To Previous Page IconTo Previous Page
To Previous Page IconTo Previous Page
Loading...
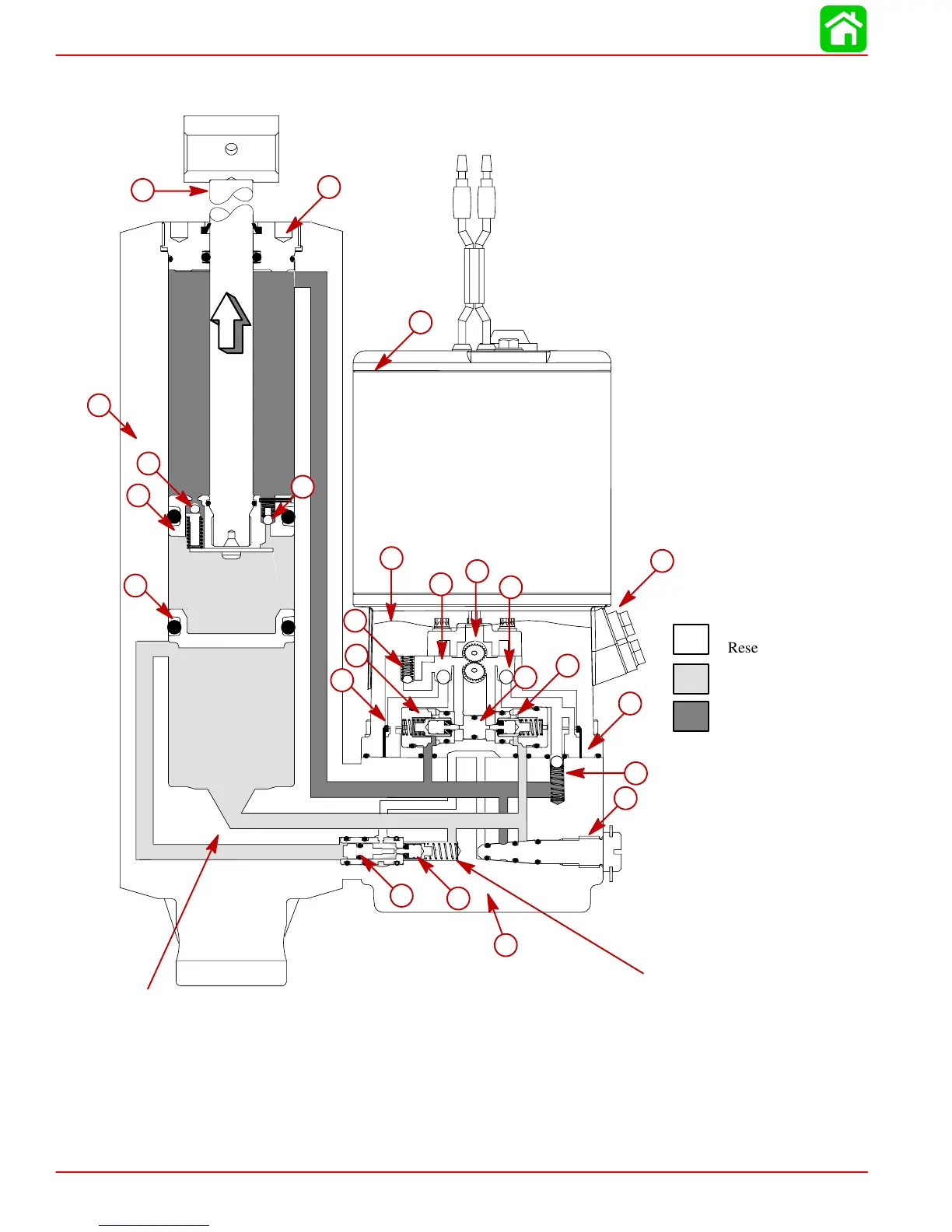
POWER TRIM
Page 5C-16 90-828631R3 MARCH 1999
Shock Function Up
Up Pressure
1625 psi (30-60 hp)
2800 psi (75-125 hp)
minimum
Í
Í
Í
Í
Reservoir Oil
Oil Under Pressure
Return Oil
Tilt Relief Pressure
250-400 psi (30-60 hp)
500-700 psi (40-60 hp Bigfoot)
540-990 psi (75-125 hp)
Impact Relief Pressure #22
880-1110 psi (30-60 hp)
1220-1420 psi (75-125 hp)
a
b
c
w
v
u
t
h
d
e
f
g
i
j
k
l
n
m
g
o
p
r
s
q

Table of Contents

Other manuals for Mercury 50

Related product manuals