EasyManua.ls Logo

Mercury 50

Mercury 50
599 pages
To Next Page IconTo Next Page
To Next Page IconTo Next Page
To Previous Page IconTo Previous Page
To Previous Page IconTo Previous Page
Loading...
CYLINDER HEAD
90-828631R3 MARCH 1999 Page 4A-43
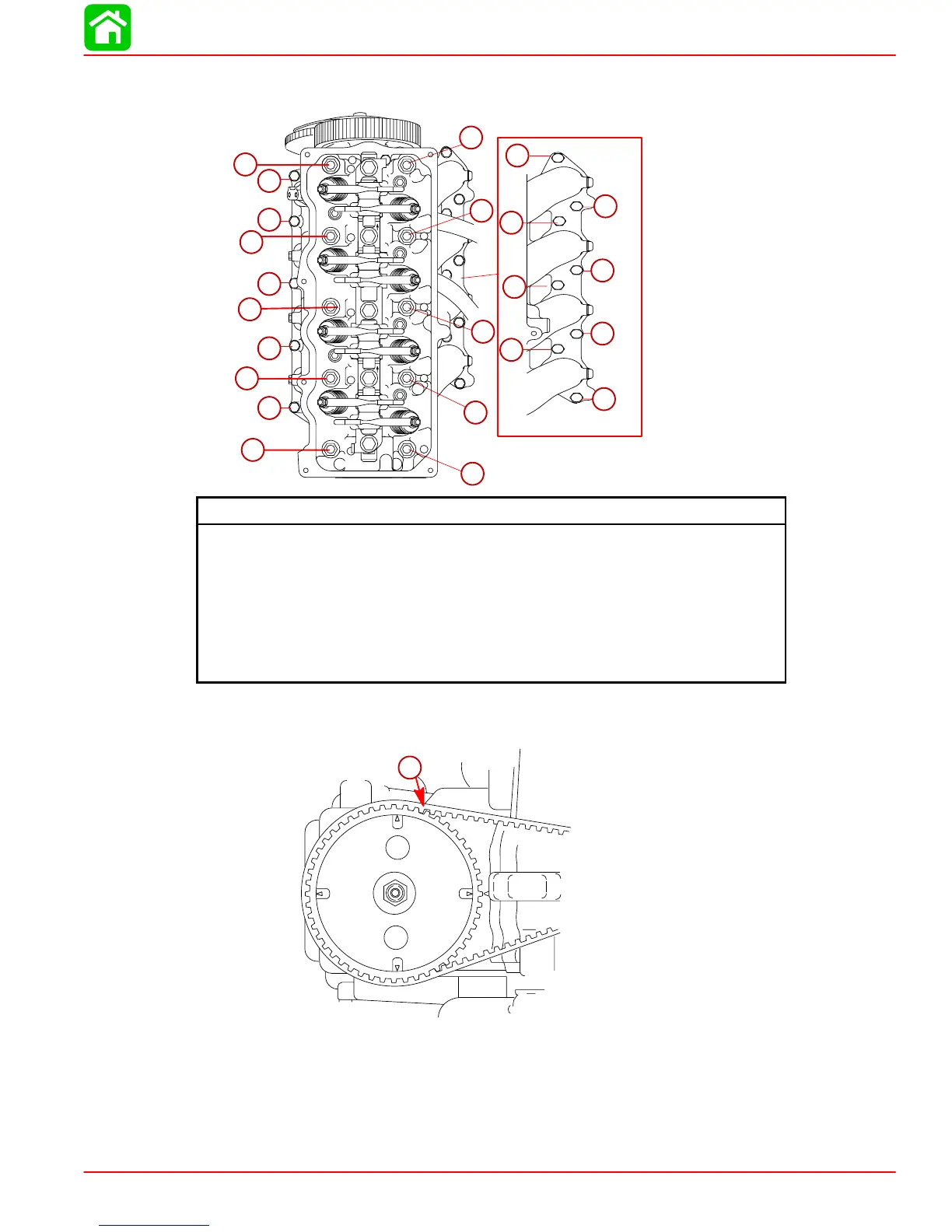
3. Torque center bolts in sequence and in two steps, than torque the Cylinder Head and
carburetor flange bolts.
53740
8
5
3
4
1
2
5
9
10
6
7
1
1
6
4
4
8
7
3
3
2
2
5
Cylinder Head Bolt Torque
Center Bolts Qty. 10 (Larger Dia. M9)
1st: 17 lb-ft (23 Nm)
2nd: 34.7 lb-ft (47 Nm)
Cyl. Head Flange Bolts Qty. 5 (Smaller Dia. M6)
1st: 53 lb-in. (6 Nm)
2nd: 106 lb-in. (12 Nm)
Carburetor Flange Bolts Qty. 8 (Smaller Dia. M6)
75 lb-in. (8.5 Nm)
4. Install timing belt. Refer to Section 4 Part B.
5. Adjust valves. Refer to Section 4 Part A.
30033
1
4
2
3
a
a-Timing Belt

Table of Contents

Other manuals for Mercury 50

Related product manuals