EasyManua.ls Logo

Mercury 50

Mercury 50
599 pages
To Next Page IconTo Next Page
To Next Page IconTo Next Page
To Previous Page IconTo Previous Page
To Previous Page IconTo Previous Page
Loading...
87
1
2
3
5
4
7
6
8
9
10
11
12
13
14
15
16
17
18
19
20
21
22
23
24
25
27
26
28
29
30
31
32
33
34
35
36
37
38
74
95
7
95
7
95
95
95
95
87
7
92
95
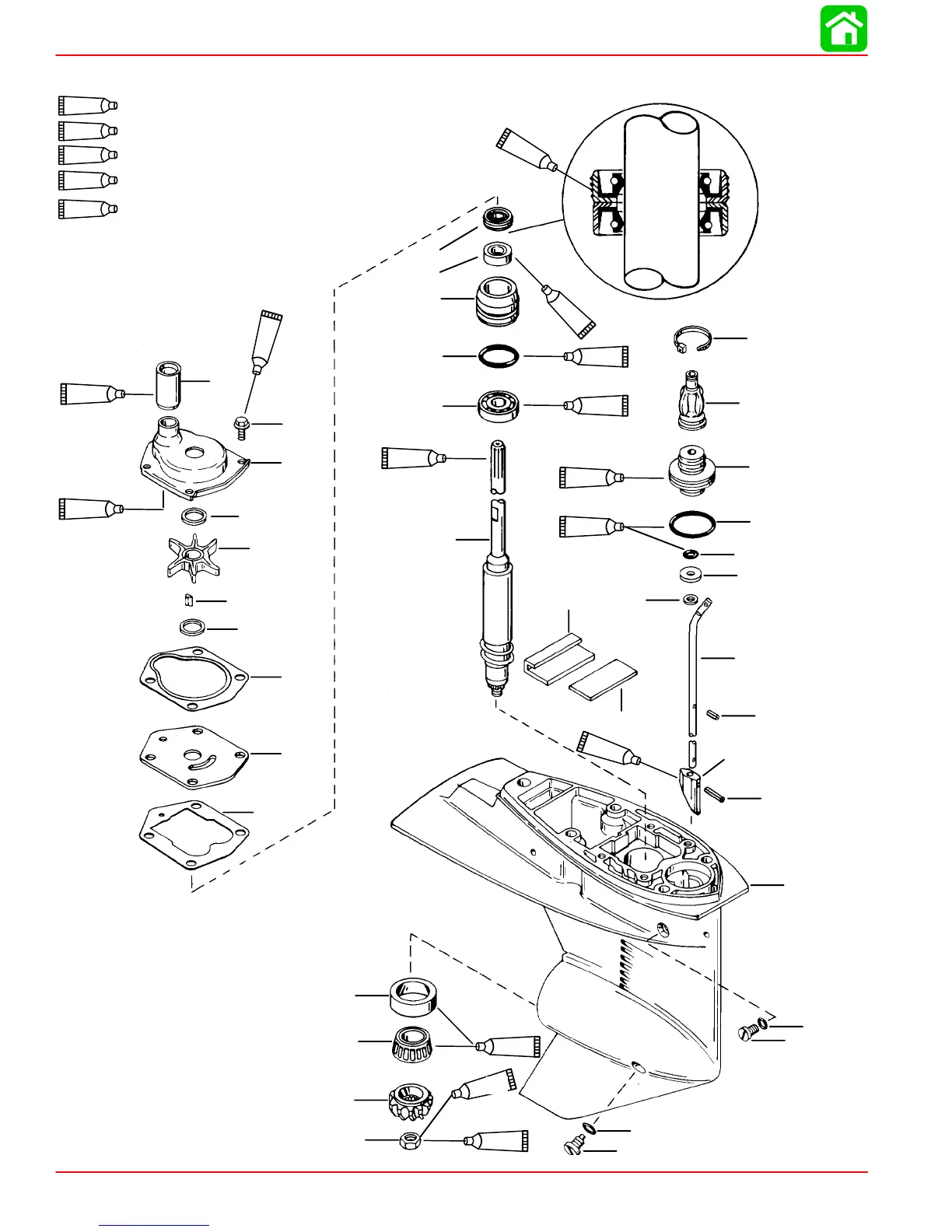
3.44 IN./87.37 MM
TORPEDO DIA.
7
Loctite “271” Adhesive Sealant (92-809819)
74
Loctite “405” (Purchase Locally)
87
Super Duty Gear Lubricant (92-13783A24)
92
Loctite Primer “N” (92-59327-1)
95
2-4-C w/Teflon (92-825407A12)
NON-BIGFOOT GEAR HOUSING
Page 6A-6 90-828631R3 MARCH 1999
Gear Housing (Driveshaft)(1.83:1 Gear Ratio)

Table of Contents

Other manuals for Mercury 50

Related product manuals