EasyManua.ls Logo

Mercury 50

Mercury 50
599 pages
To Next Page IconTo Next Page
To Next Page IconTo Next Page
To Previous Page IconTo Previous Page
To Previous Page IconTo Previous Page
Loading...
39
40
41
42
43
44
45
46
47
48
49
50
51
52
53
54
55
56
57
58
59
60
61
62
63
64
68
69
70
71
72
1
73
95
95
87
95
87
7
95
87
87
66
65
67
39
7
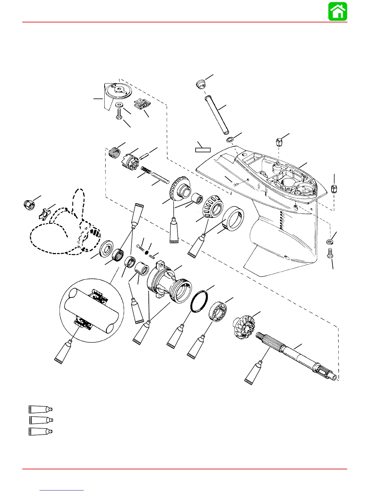
Loctite “271” Adhesive Sealant (92-809819)
87
Super Duty Gear Lubricant (92-13783A24)
95
2-4-C w/Teflon (92-825407A12)
3.44 IN./87.37 MM
TORPEDO DIA.
NON-BIGFOOT GEAR HOUSING
Page 6A-8 90-828631R3 MARCH 1999
Gear Housing (Prop Shaft)(1.83:1 Gear Ratio)

Table of Contents

Other manuals for Mercury 50

Related product manuals