EasyManua.ls Logo

Metek 933 - About the Analyzer

Default Icon
242 pages
Print Icon
To Next Page IconTo Next Page
To Next Page IconTo Next Page
To Previous Page IconTo Previous Page
To Previous Page IconTo Previous Page
Loading...
1-2 | Model 933 UV Analyzer
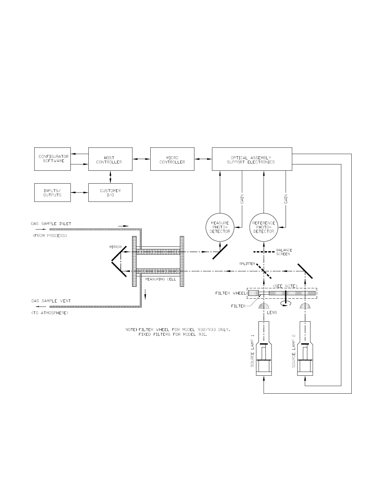
About the Analyzer
The Model 933 Analyzer is comprised of (see Figure 1-1):
Two ultraviolet light sources (source lamps)
Chopper Wheel (Filter Wheel) containing up to six interference filters
Beam Splitter
Front-surfaced mirrors
Gas Measuring Cell
Two matched Photodetectors
Figure 1-1.
Analytical block
diagram.

Table of Contents

Related product manuals