EasyManua.ls Logo

Metek 933 - Customer Connections Wiring Schematic, North American Style

Default Icon
242 pages
Print Icon
To Next Page IconTo Next Page
To Next Page IconTo Next Page
To Previous Page IconTo Previous Page
To Previous Page IconTo Previous Page
Loading...
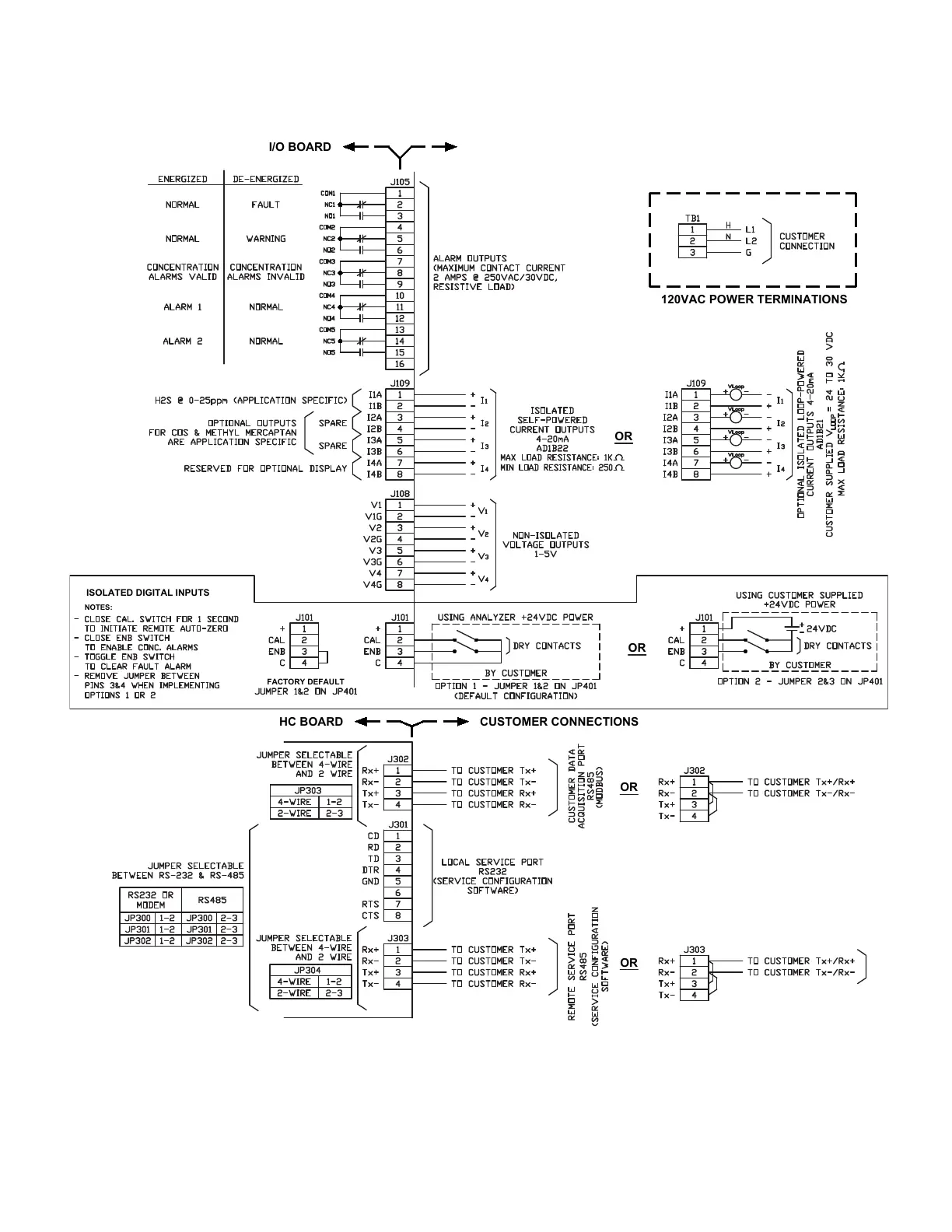
Appendix A – Drawings | A-9
Customer Connections Wiring Schematic, North American Style
(WX-933NA-4)
CUSTOMER CONNECTIONS
I/O BOARD
OR
OR
120VAC POWER TERMINATIONS
CUSTOMER CONNECTIONS
HC BOARD
OR
OR
REFERENCE: CERTIFICATE NO:
CSA CERTIFICATE 1031027
ISOLATED DIGITAL INPUTS
FACTORY DEFAULT
NOTES:
(LR48179)

Table of Contents