EasyManua.ls Logo

Metek 933 - Page 50

Default Icon
242 pages
Print Icon
To Next Page IconTo Next Page
To Next Page IconTo Next Page
To Previous Page IconTo Previous Page
To Previous Page IconTo Previous Page
Loading...
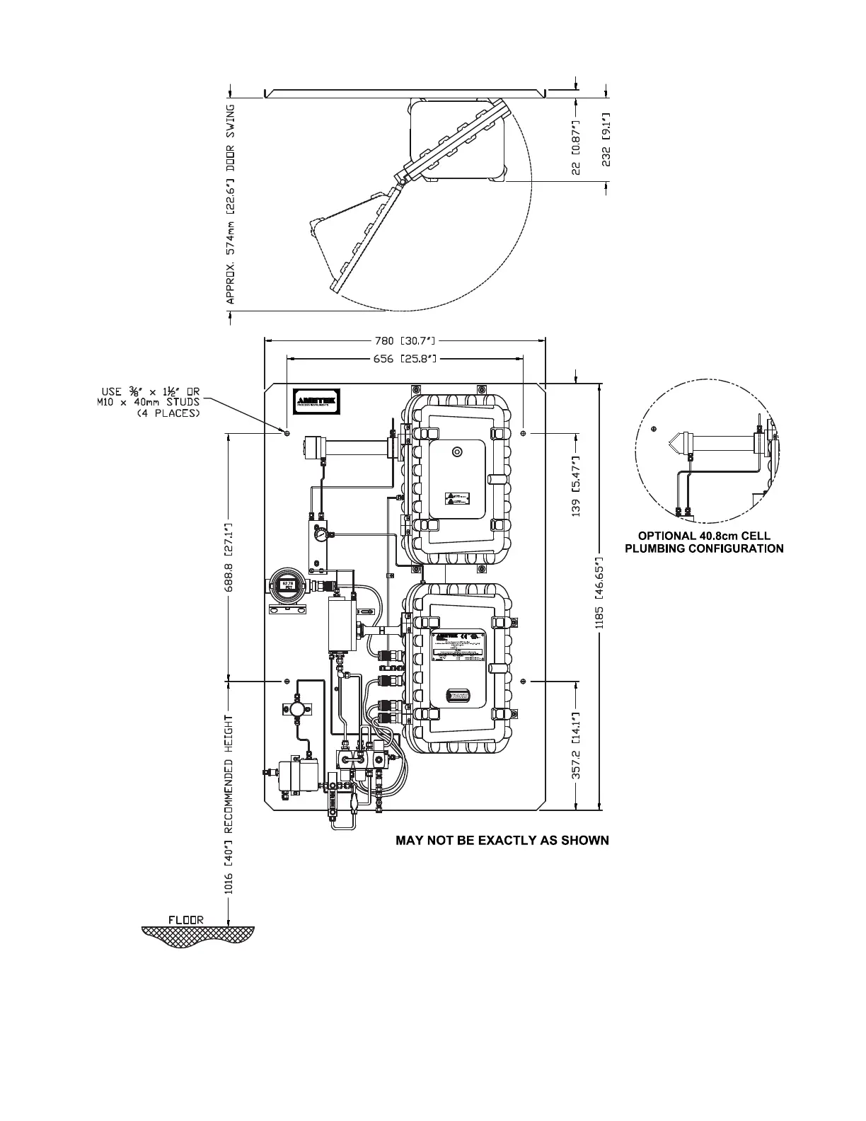
3-6 | Model 933 UV Analyzer
Figure 3-1.
Analyzer backpan dimensions
(European).

Table of Contents

Related product manuals