EasyManua.ls Logo

Metek 933 - Page 54

Default Icon
242 pages
Print Icon
To Next Page IconTo Next Page
To Next Page IconTo Next Page
To Previous Page IconTo Previous Page
To Previous Page IconTo Previous Page
Loading...
3-10 | Model 933 UV Analyzer
See Appendix A for a North American style drawing (or Final “As-
Built” drawings in the analyzer Documentation Package).
NOTE
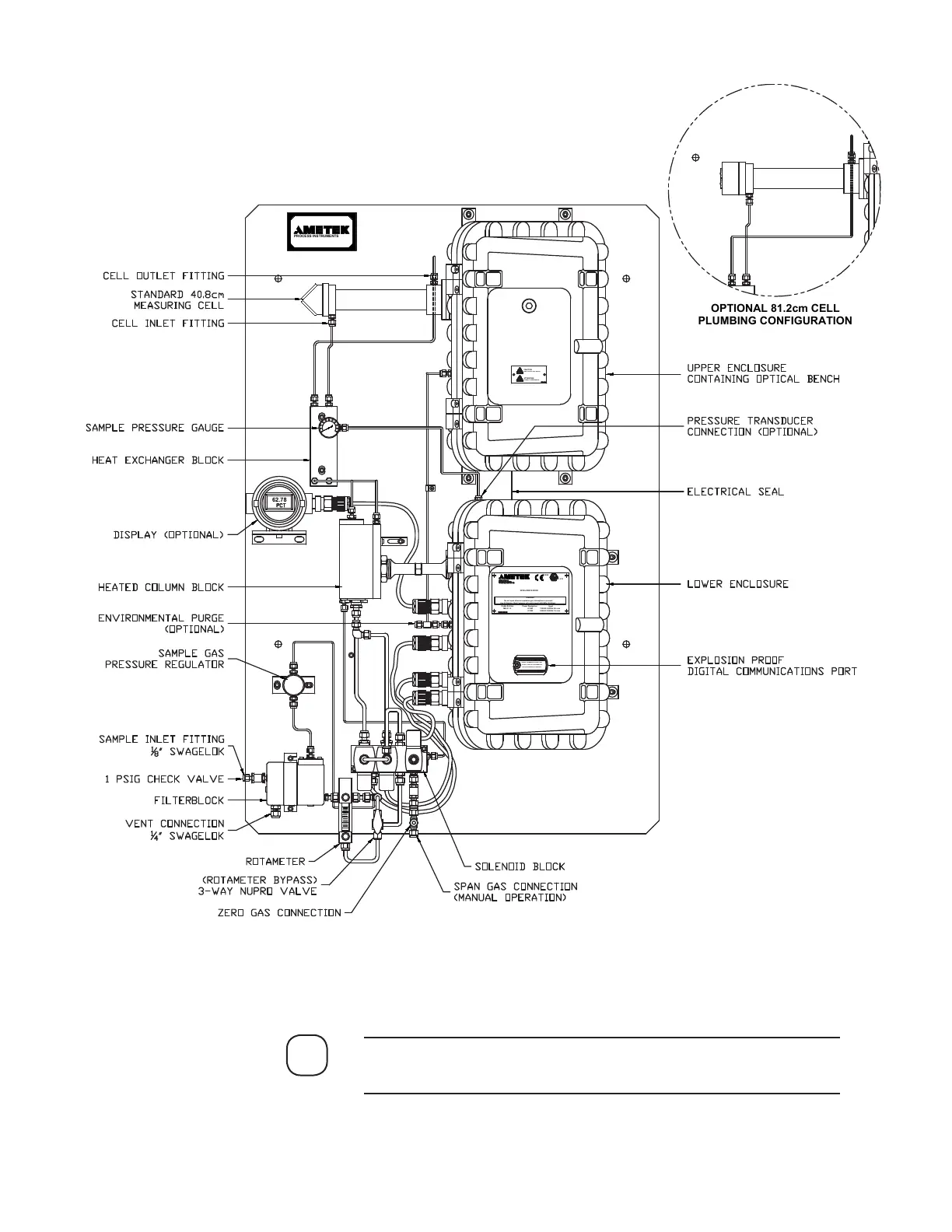
Figure 3-3.
Backpan component
layout (European).
MAY NOT BE EXACTLY AS SHOWN
PROCESS INSTRUMENTS
GAS ATMOSPHERE IS PRESENT
DO NOT OPEN IF A HAZARDOUS
SERIAL COMMUNICATIONS PORT
CONSULT USER MANUAL
RISK OF ELECTRIC SHOCK
ATTENTION:
CAUTION:
62.78
CERTIFICATE NO: KEMA 02ATEX2247 X
Power Dissipation
<210W
<210W
Input
240VAC 50/60Hz 1A max.
120VAC 50/60Hz 2A max.
Certificate No: KEMA 02ATEX2247 X, Ex d IIB T3 Gb (T amb. 0°C...50°C)
Western Research Model 933 Analyzer
Serial No. __________________
Year. _______
0344
II 2 G
Cable Entries
M25 X 1.5
Caution
Do not open when an explosive gas atmosphere is present.
Use A2 Stainless Steel Fasteners with yield strength ≥450 MPa (65,300psi)
IECEx DEK12.0035X
CERTIFICATE NO: IECEx DEK12.0035X
REFERENCE:
PLUMBING CONFIGURATION
OPTIONAL 81.2cm CELL

Table of Contents

Related product manuals