EasyManua.ls Logo

Midland SPD-6 - Page 70

Midland SPD-6
300 pages
Go to English
To Next Page IconTo Next Page
To Next Page IconTo Next Page
To Previous Page IconTo Previous Page
To Previous Page IconTo Previous Page
Loading...
www.roadwidener.com
70
Model SPD-6
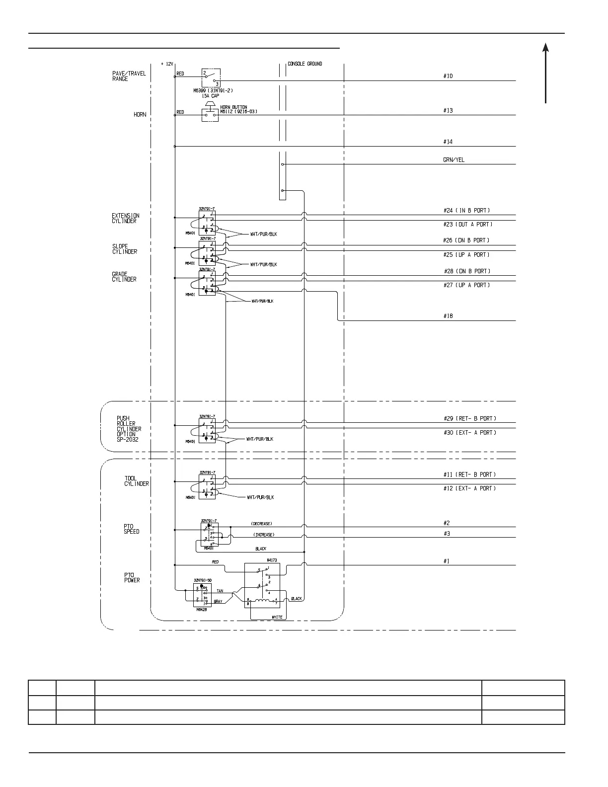
eleCtrICAl InstAllAtIon, ContInued, sp-1906 rev-B
No. Qty. Description Part Number
1 1 Horn, 12 VDC (20/Pk) M18031
2 1 Back-Up Alarm M18100
Continued On Page 66

Table of Contents