EasyManua.ls Logo

Midland SPD-6 - J Unction B Ox a Ssembly Sp-2169

Midland SPD-6
300 pages
Go to English
To Next Page IconTo Next Page
To Next Page IconTo Next Page
To Previous Page IconTo Previous Page
To Previous Page IconTo Previous Page
Loading...
www.roadwidener.com
72
Model SPD-6
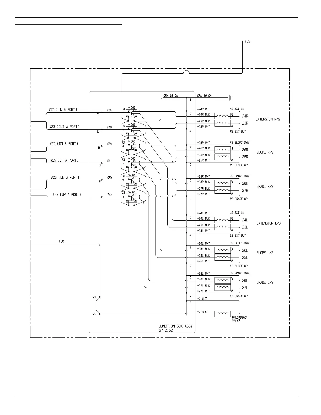
7.7.1 junCtIon Box AssemBly sp-2169
Junction Box Assembly Schematic:

Table of Contents