EasyManua.ls Logo

Mikro DPM380 - 2.3. Wiring

Mikro DPM380
60 pages
Print Icon
To Next Page IconTo Next Page
To Next Page IconTo Next Page
To Previous Page IconTo Previous Page
To Previous Page IconTo Previous Page
Loading...
7
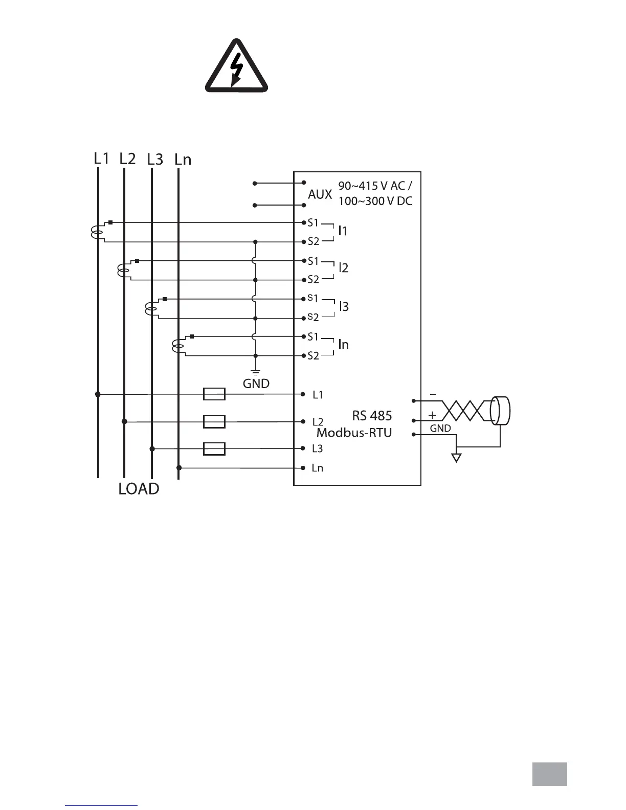
Figure 3: 3 Phase 4-Wire System with 4CTs connection,
direct voltage input.
2.3. WIRING
19
20
1
2
3
4
5
6
7
8
15
16
17
18
14
13
12

Related product manuals