EasyManua.ls Logo

Mikro DPM380 - Phase 3-Wire with 2 Cts and 3 Vts

Mikro DPM380
60 pages
Print Icon
To Next Page IconTo Next Page
To Next Page IconTo Next Page
To Previous Page IconTo Previous Page
To Previous Page IconTo Previous Page
Loading...
10
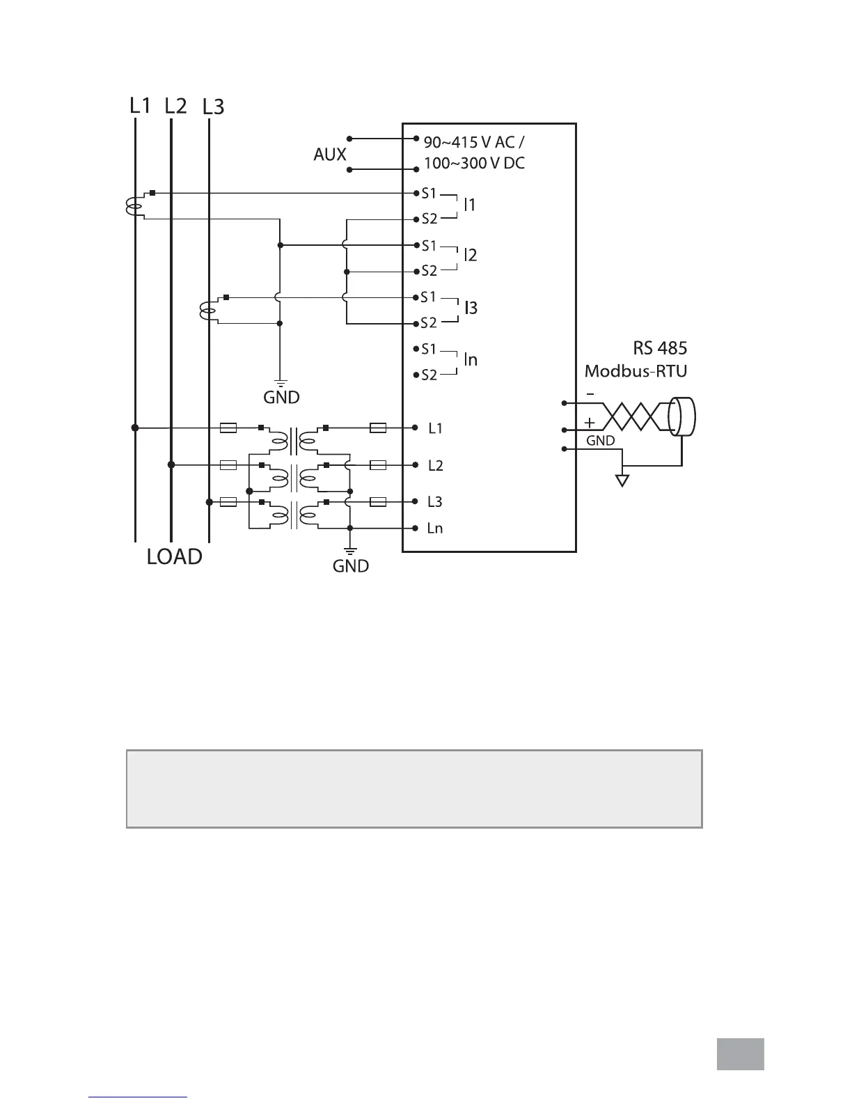
Figure 6: 3-phase 3-wire with 2CTs and 3VTs connection.
NOTE: I2 current measurement is based on the vector
sum of
2 CTs.
19
20
1
2
3
4
5
6
7
8
15
16
17
18
14
13
12

Related product manuals