EasyManua.ls Logo

Mikro DPM380 - Phase 4-Wire System with 3 Cts

Mikro DPM380
60 pages
Print Icon
To Next Page IconTo Next Page
To Next Page IconTo Next Page
To Previous Page IconTo Previous Page
To Previous Page IconTo Previous Page
Loading...
8
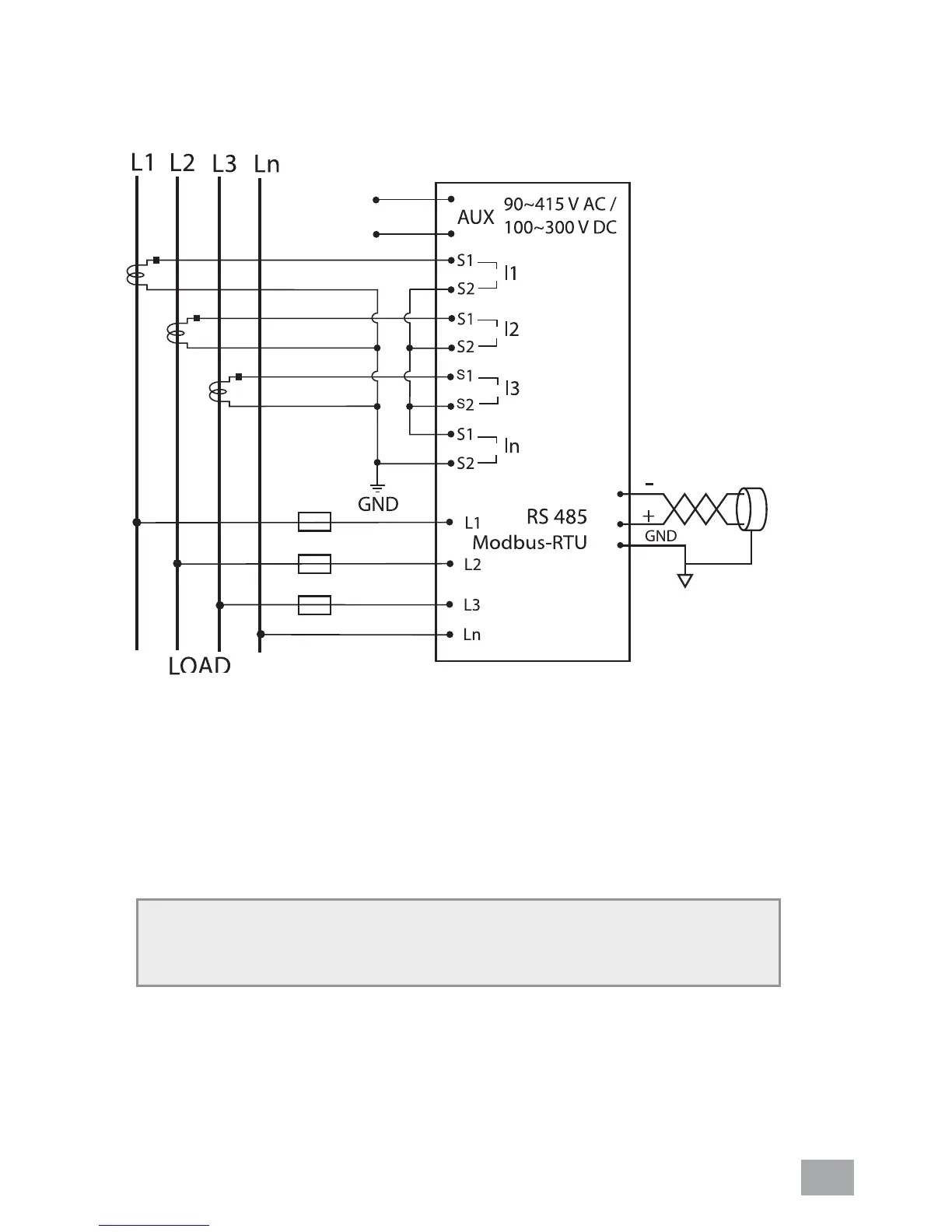
Figure 4: 3-Phase 4-Wire System with 3CTs connection,
direct voltage input.
NOTE: Neutral current measurement is based on the
vector sum of 3 CTs.
19
20
1
2
3
4
5
6
7
8
15
16
17
18
14
13
12

Related product manuals