EasyManua.ls Logo

Miller Dimension 650 - Front Panel Parts

Miller Dimension 650
52 pages
Print Icon
To Next Page IconTo Next Page
To Next Page IconTo Next Page
To Previous Page IconTo Previous Page
To Previous Page IconTo Previous Page
Loading...
OM-272476 Page 40
269 850-A
. Hardware is common and
not available unless listed.
1
11
6
15
4
3
7
14
12
2
5
9
13
10
8
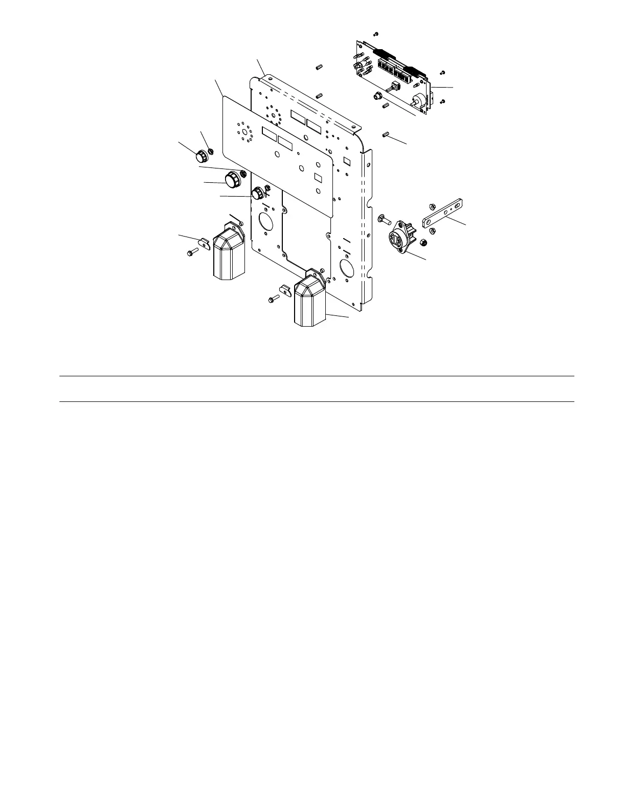
Figure 12-2. Front Panel
Description
Part
No.
Dia.
Mkgs.
Item
No.
Figure 12-2. Front Panel
Quantity
1 +264279 Panel, Front W/Studs 1.. ............. .. ............................................
2 263561 Label, Nameplate Miller Dimension 650 1.. .............. .. ............................
3 231468 Nut, 375-32 .56Hex .22H Brs Conical Knurl 2.. .............. .. .........................
4 245663 Knob, Encoder 1.250 Dia X .250 Id Push On W/Spring 1.. .............. .. ...............
5 231469 Nut, 500-28 .69Hex .28H Brs Conical Knurl 1.. .............. .. .......................
6 213134 Knob, Encoder 1.670 Dia X .250 Id Push On W/Spring 1.. .............. .. ...............
7 174991 Knob, Pointer 1.250 Dia X .250 Id W/Spring Clip-.21 1.. .............. .. .................
8 181169 Spacer, Output Stud 2.. .............. .. .............................................
9 268891 Washer, Output Stud 2.. .............. .. .............................................
10 264114 Boot, Generic Output Stud 2.. .............. .. ........................................
11 263560 Terminal, Pwr Output Black 1.. .............. .. .......................................
12 263570 Bus Bar, Output 1.. .............. .. .................................................
13 190512 Stand-off, No 6-32 X .640 Lg .250 Hex Al Fem 4.. .............. .. ......................
14 231470 Nut, Adapter Encoder Shaft Mtg 375-32 To 500-28 1.. .............. .. ...................
15 PC1 263562 Circuit Card Assy, Front Panel & Display W/Program 1.. .... .... .. .................
PLG56 241167 Housing Plug + Skts, (Service Kit) 1........ ... .. .................................
PLG59, PLG53 241168 Housing Plug + Skts, (Service Kit) 2..... .. .................................
PLG60 241169 Housing Plug + Skts, (Service Kit) 1........ ... .. .................................
PLG57 241170 Housing Plug + Skts, (Service Kit) 1........ ... .. .................................
PLG55 241171 Housing Plug + Skts, (Service Kit) 1........ ... .. .................................
PLG54 241172 Housing Plug + Skts, (Service Kit) 1........ ... .. .................................
PLG58 269989 Housing Plug + Skts, (Service Kit) 1........ ... .. .................................
C13,C14 267745 Capacitor Assy 2....... .. .. ..................................................
VR1, VR2 270076 Varistor, W/Terminals 2....... .. .. ............................................
263611 Plug, W/Leads (Voltage Feedback) 1................... .. ................................
263613 Cable Assy, Current Feedback W/Ferrite Core 2................... .. ......................
266925 Plugs, W/Leads & Current Xfmrs (Includes) 1................... .. .........................
CT1, CT2 266798 XFMR, Current Sensing 200/1 2....... .. .... ...................................
269893 Screw, 500−13x1.00 (Not Shown) Output Stud Hardware 2................... .. .............
222794 Nut, 500−13.75 Hex (Not Shown) Output Stud Hardware 2................... .. .............
+ When ordering a component originally displaying a precautionary label, the label should also be ordered.
To maintain the factory original performance of your equipment, use only Manufacturers Suggested
Replacement Parts. Model and serial number required when ordering parts from your local distributor.

Table of Contents

Related product manuals