EasyManua.ls Logo

Mitsubishi LANCER EVOLUTION-IV 1998

Mitsubishi LANCER EVOLUTION-IV 1998
526 pages
To Next Page IconTo Next Page
To Next Page IconTo Next Page
To Previous Page IconTo Previous Page
To Previous Page IconTo Previous Page
Loading...
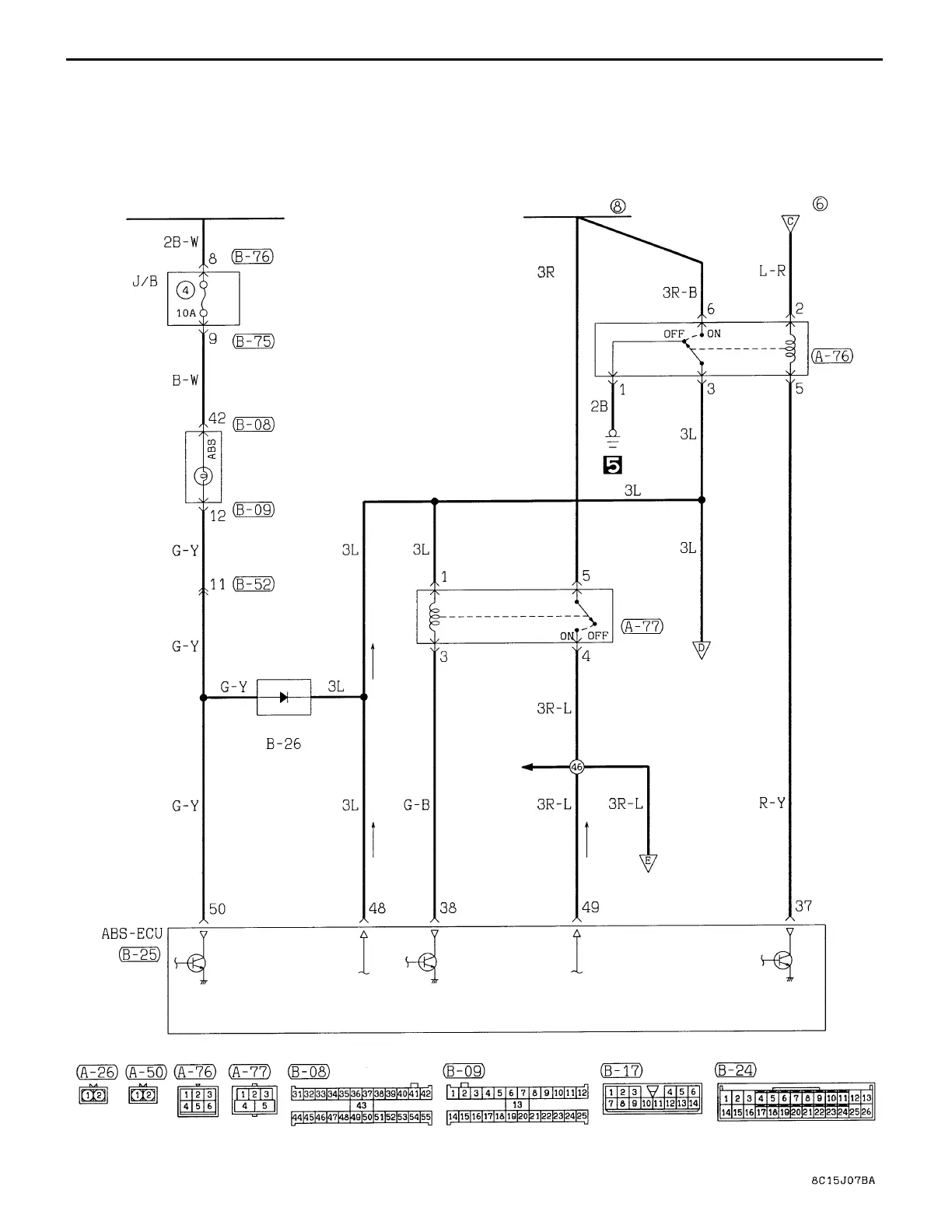
CIRCUIT DIAGRAM Anti-lock Brake System (ABS)
IGNITION SWITCH (IG1)
FUSIBLE LINK
MULTI-PURPOSE
FUSE
COMBINATION
METER
VALVE
RELAY
MOTOR
RELAY
DIODE
ACTIVE YAW
CONTROL
SYSTEM
C-76
ANTI-LOCK BRAKE SYSTEM (ABS) (CONTINUED)

Table of Contents

Related product manuals