EasyManua.ls Logo

Mitsubishi LANCER EVOLUTION-IV 1998 - Page 175

Mitsubishi LANCER EVOLUTION-IV 1998
526 pages
To Next Page IconTo Next Page
To Next Page IconTo Next Page
To Previous Page IconTo Previous Page
To Previous Page IconTo Previous Page
Loading...
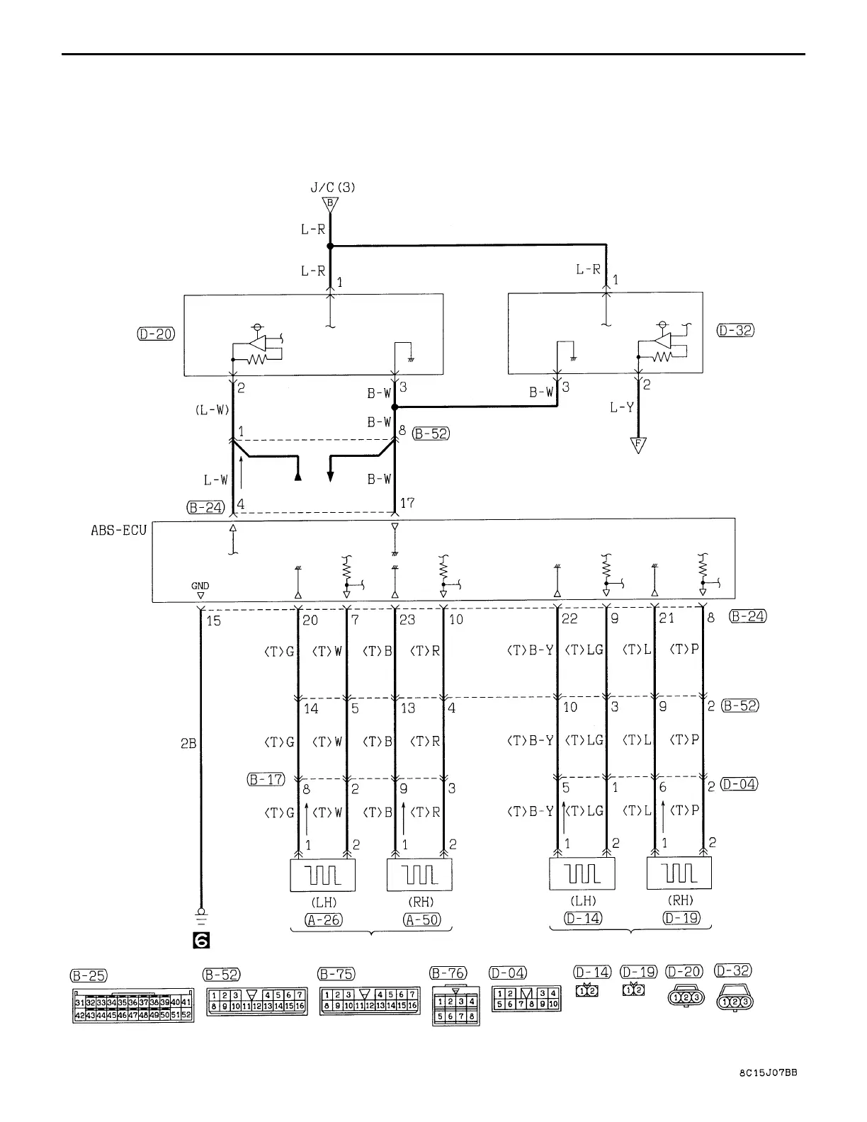
CIRCUIT DIAGRAM Anti-lock Brake System (ABS)
ACCELERATION
SENSOR
(LONGITUDINAL)
ACCELERATION
SENSOR
(LATERAL)
ACTIVE YAW
CONTROL SYSTEM
FRONT SPEED SENSOR
REAR SPEED SENSOR
C-77

Table of Contents

Related product manuals