EasyManua.ls Logo

Nibe FIGHTER 1140 - Option 2 Gas Boiler

Nibe FIGHTER 1140
76 pages
Print Icon
To Next Page IconTo Next Page
To Next Page IconTo Next Page
To Previous Page IconTo Previous Page
To Previous Page IconTo Previous Page
Loading...
NK
VVG
BK / JK
SF
AV
SÄV
EXP
VXV
AV
AV
SF AV
FG
AV
Gaspanna
UG
VVB / ACK
SÄV
SÄV
EXP
AB
B
A
SÄV
Docking
FIGHTER 1140
26
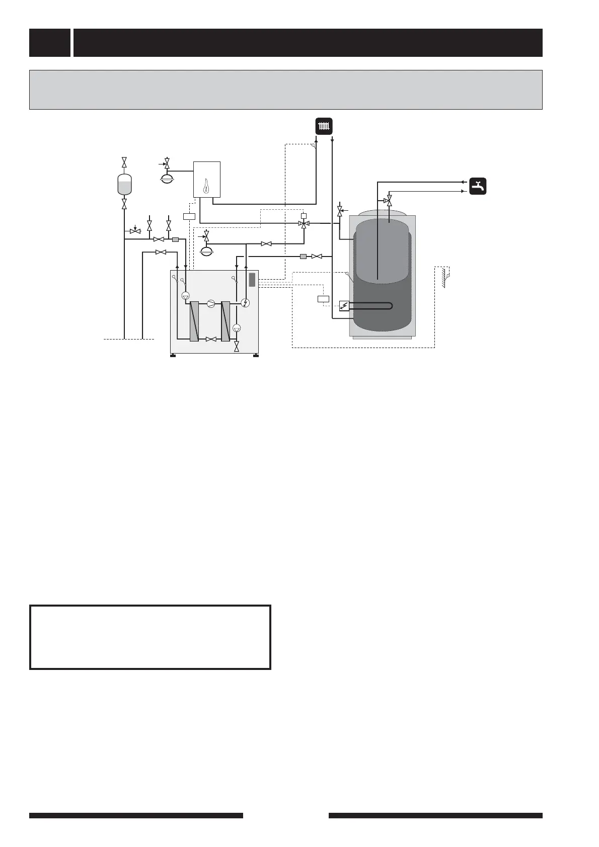
Principle of operation
FIGHTER 1140 prioritises charging the hot water
heater (VVB/ACK). When the preset hot water tem-
perature is reached, the shuttle valve switches to
heating. If the heat pump cannot maintain the right
flow temperature the gas boiler starts. The flow line
sensor (FG) should be placed on the main pipe to the
radiators.
This alternative requires the accessory VST 11.
The “Auto” operating mode should be selected in
order for the gas addition to be permitted to start
The immersion heater in the water heater is connect-
ed when “Extra Hot Water” is activated.
When standby mode is activated, the heating medium
pump will be on and the gas burner receives the sig-
nal. The thermostat on the gas boiler limits the tem-
perature.
Menu option
This option requires the following selections to be
made in:
Select “Service” in menu 8.1.1.
Menu 9.2.13.1 “Selected docking option” select opt.
”2”.
Menu 9.2.13.2 “Immersion heater type” select “Off”
When there is also a hot water heater the follow selec-
tions should also be made:
Menu 9.2.13.3 “Hot water production”, select “On”.
NOTE! These selections are confirmed by switching
the heat pump off and on.
Sensor connection
In this connection option the edge board connector for
the flow line sensor (FG) and return sensor (RG)
should be disconnected.
The flow line sensor (FG) should be placed on the
main pipe and connected to the screw terminals
X4:15–16.
The existing return sensor (RG) is disconnected from
the edge board connector and is connected to
X4:13–14.
Option 2 - FIGHTER 1140 docked to a gas boiler
(floating condensing)
NOTE!
The gas boiler must be fitted with a
thermostat to limit the temperature.
Gas boiler

Table of Contents

Related product manuals