EasyManua.ls Logo

Nokia RM-512 - RF-Test;Bb-Tune & Flash Concept with

Nokia RM-512
178 pages
Print Icon
To Next Page IconTo Next Page
To Next Page IconTo Next Page
To Previous Page IconTo Previous Page
To Previous Page IconTo Previous Page
Loading...
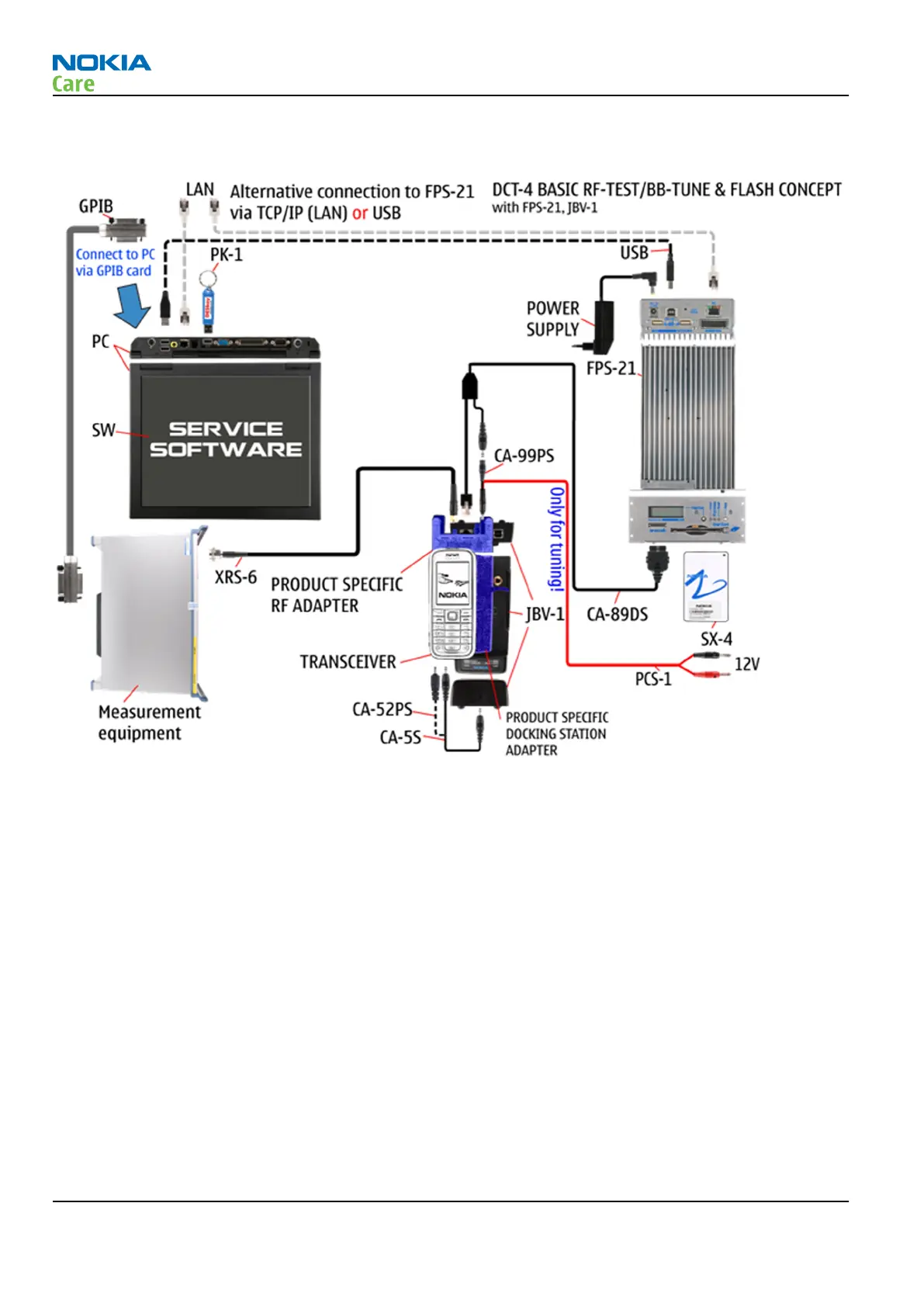
RF-test/BB-tune & flash concept with JBV-1, FPS-21
Figure 10 RF-test/BB-tune & flash concept with JBV-1, FPS-21
RM-512; RM-513; RM-514; RM-515; RM-543
Service Devices and Service Concepts
Page 2 –22 COMPANY CONFIDENTIAL Issue 2
Copyright © 2009 Nokia. All rights reserved.

Table of Contents

Related product manuals