EasyManua.ls Logo

Notifier UDACT - Page 76

Notifier UDACT
132 pages
Print Icon
To Next Page IconTo Next Page
To Next Page IconTo Next Page
To Previous Page IconTo Previous Page
To Previous Page IconTo Previous Page
Loading...
Wiring
76
UDACT Instruction Manual PN 50050:H 09/16/2002
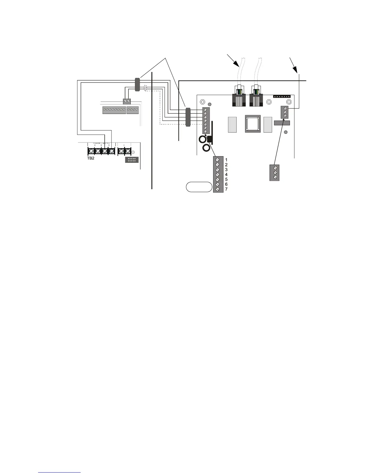
Below is a remote installation of a UDACT with a System 500:
Figure 18 UDACT and System 500
EARTH
Comm FAILURE
+24V
+24V
GND
RS+
RS–
SHIELD
RS+
Rs–
ACS/TERM
TERM
COMMONCOMMON + 24V POWER+24V RESET
BATT+ BATT –
Solid Earth
Ground
Connection
To Phone Lines
(supervised)
UDACT-10.cdr
System 500 CPU
System 500 Cabinet
ABS-8R or UBS-1
MPS-24BPCA
DO NOT USE
Ferrite Cores
Technical Manuals Online! - http://www.tech-man.com

Table of Contents