EasyManua.ls Logo

Notifier UDACT - Page 86

Notifier UDACT
132 pages
Print Icon
To Next Page IconTo Next Page
To Next Page IconTo Next Page
To Previous Page IconTo Previous Page
To Previous Page IconTo Previous Page
Loading...
Wiring
86
UDACT Instruction Manual PN 50050:H 09/16/2002
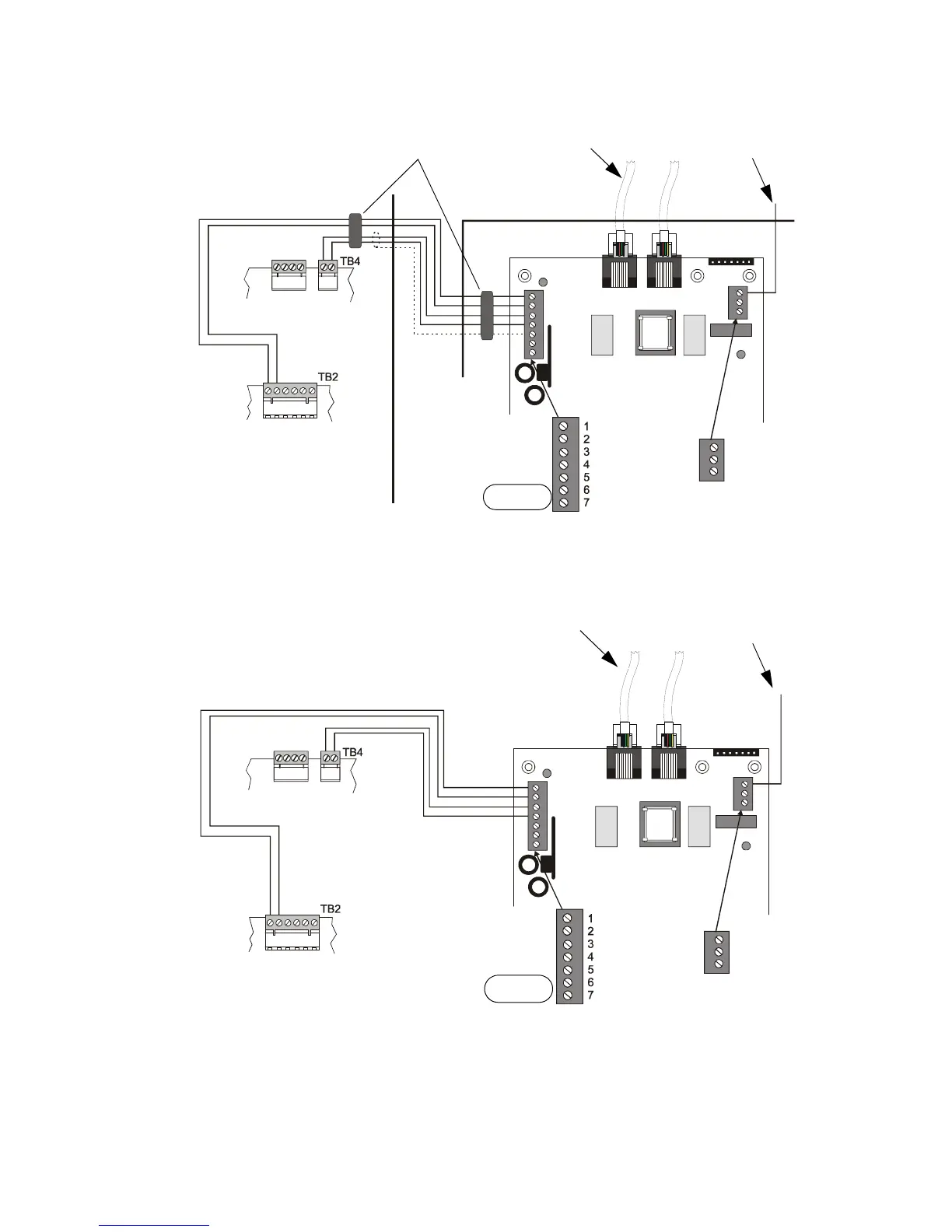
Below is a remote installation of a UDACT with an AFP-300/AFP-400:
Figure 21 UDACT and AFP-300/AFP-400 in CAB-AA
Below is an internal installation of a UDACT with an AFP-300/AFP-400:
Figure 22 UDACT and AFP-300/AFP-400 in CAB-3/4
EARTH
Comm FAILURE
+24V
+24V
GND
RS+
RS–
SHIELD
RS+
Rs–
ACS/TERM
TERM
To Phone Lines
(supervised)
Solid Earth
Ground
Connection
ABS-8R or UBS-1
CAB-400AA Cabinet
CPU-300/-400
MPS-400
UDACT-13.cdr
DO NOT USE
Ferrite Cores
EARTH
Comm FAILURE
+24V
+24V
GND
RS+
RS–
SHIELD
RS+
Rs–
ACS/TERM
TERM
DO NOT USE
MPS-400
CPU-300/-400
To Phone Lines
(supervised)
Connect to CHS-4
Chassis
UDACT-14.cdr
Technical Manuals Online! - http://www.tech-man.com

Table of Contents