EasyManua.ls Logo

ODB LCT6000 - Boom Wiring Diagram

ODB LCT6000
128 pages
Print Icon
To Next Page IconTo Next Page
To Next Page IconTo Next Page
To Previous Page IconTo Previous Page
To Previous Page IconTo Previous Page
Loading...
77
ODB COMPANY
800-446-9823 LCT6000
Service Section
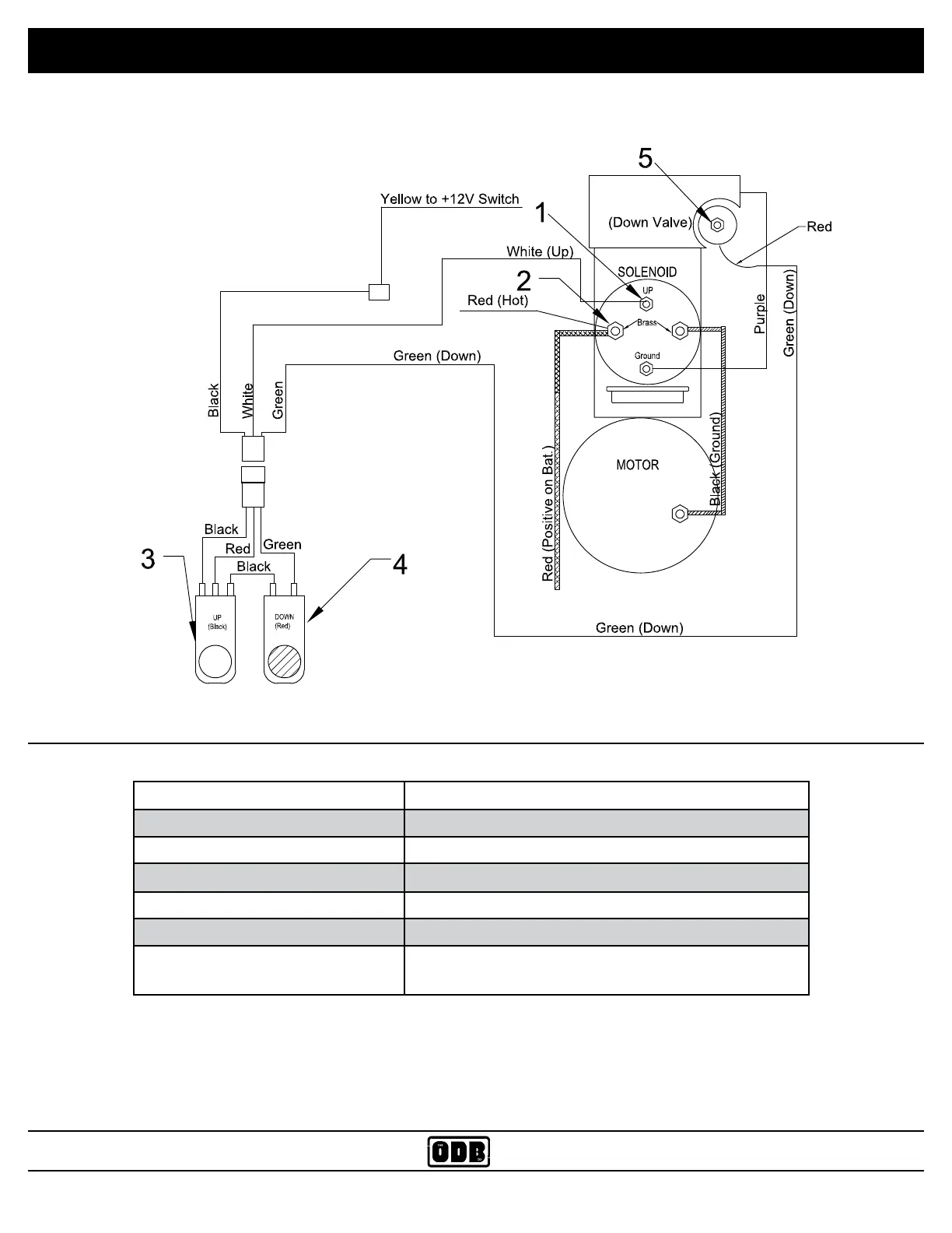
5.10.7 Boom Wiring Diagram
COLOR FUNCTION
Green Down
White Up
Purple Ground on Solenoid
Red (4 gauge cable) Positive to Battery
Black (4 gauge cable) Ground from Solenoid to Hydraulic Motor
Black (from up down switch) changes to Yellow - Positive for Boom Rocker
Switch on instrument panel (if equipped)

Table of Contents

Related product manuals