EasyManua.ls Logo

ODB LCT6000 - Remote Throttle; Clutch Wiring Harness

ODB LCT6000
128 pages
Print Icon
To Next Page IconTo Next Page
To Next Page IconTo Next Page
To Previous Page IconTo Previous Page
To Previous Page IconTo Previous Page
Loading...
78
ODB COMPANY
800-446-9823 LCT6000
Service Section
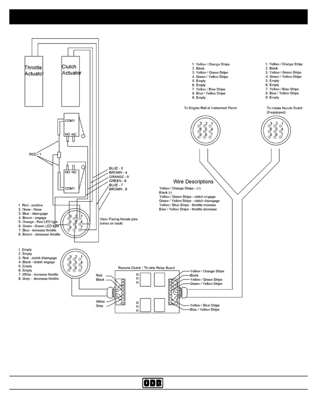
5.10.8 Remote rottle / Clutch Wiring Harness

Table of Contents

Related product manuals