EasyManua.ls Logo

OTC DTX-3000 AC/DC - Page 72

Default Icon
80 pages
Print Icon
To Next Page IconTo Next Page
To Next Page IconTo Next Page
To Previous Page IconTo Previous Page
To Previous Page IconTo Previous Page
Loading...
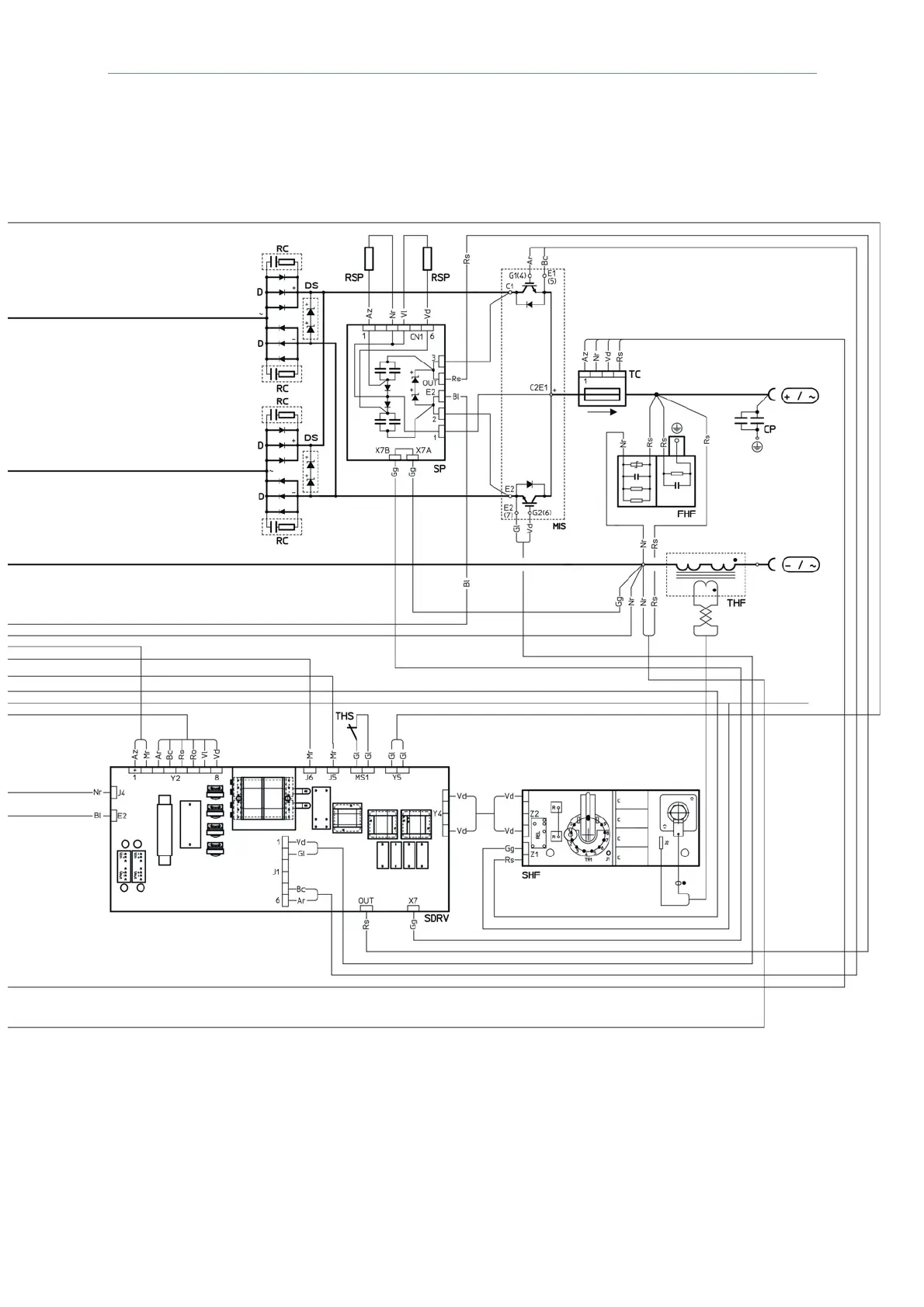
Wiring diagram (DTX-3000 AC/DC
72
DTX-2200-3000 AC/DC

Table of Contents

Related product manuals