EasyManua.ls Logo

Panasonic Minas E Series - Driver Internal Block Diagram

Panasonic Minas E Series
216 pages
Print Icon
To Next Page IconTo Next Page
To Next Page IconTo Next Page
To Previous Page IconTo Previous Page
To Previous Page IconTo Previous Page
Loading...
204
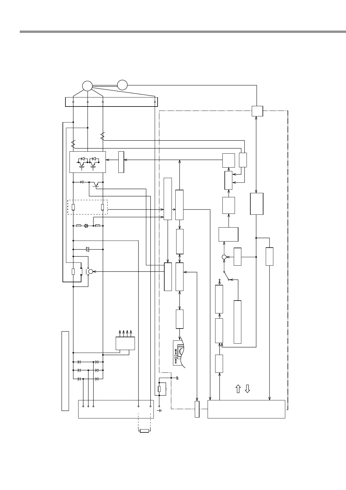
Driver Internal Block Diagram
CN X1
CN X3
Internal Block Diagram of MINAS-E Driver
L 1
L 2
L 3
DC/DC
P
CN X6
External Regenerative
Resistor
CN X4
U
V
W
E
M
RE
CN X5
N
P
+3.3V
+5V
Gate Drive Power Supply
Gate Drive
RE Power Supply
Alarm Signal
Pulse Row
Command
Pulse Output
Control Input
Dividing/
Multiplier
+
+
-
+
+
-
A/D
Position
Speed
Deviation
Counter
Internal Command Speed
Detection
of Speed
Dividing
Process
Position Error
Driver
Display
Control
Parameter Control
Protective Circuit
Detection of Abnormality
EEPROM
Sequence Control
Current
Control
PWM
Circuit
Processing of
Encoder Signal
Control Output
B
Speed
Error
Driver
Torque
Limit
Buy: www.ValinOnline.com | Phone 844-385-3099 | Email: CustomerService@valin.com

Table of Contents

Related product manuals