EasyManua.ls Logo

Panasonic Minas E Series - Wiring to Connector CN X5; Example of Wiring in Position Control Mode

Panasonic Minas E Series
216 pages
Print Icon
To Next Page IconTo Next Page
To Next Page IconTo Next Page
To Previous Page IconTo Previous Page
To Previous Page IconTo Previous Page
Loading...
67
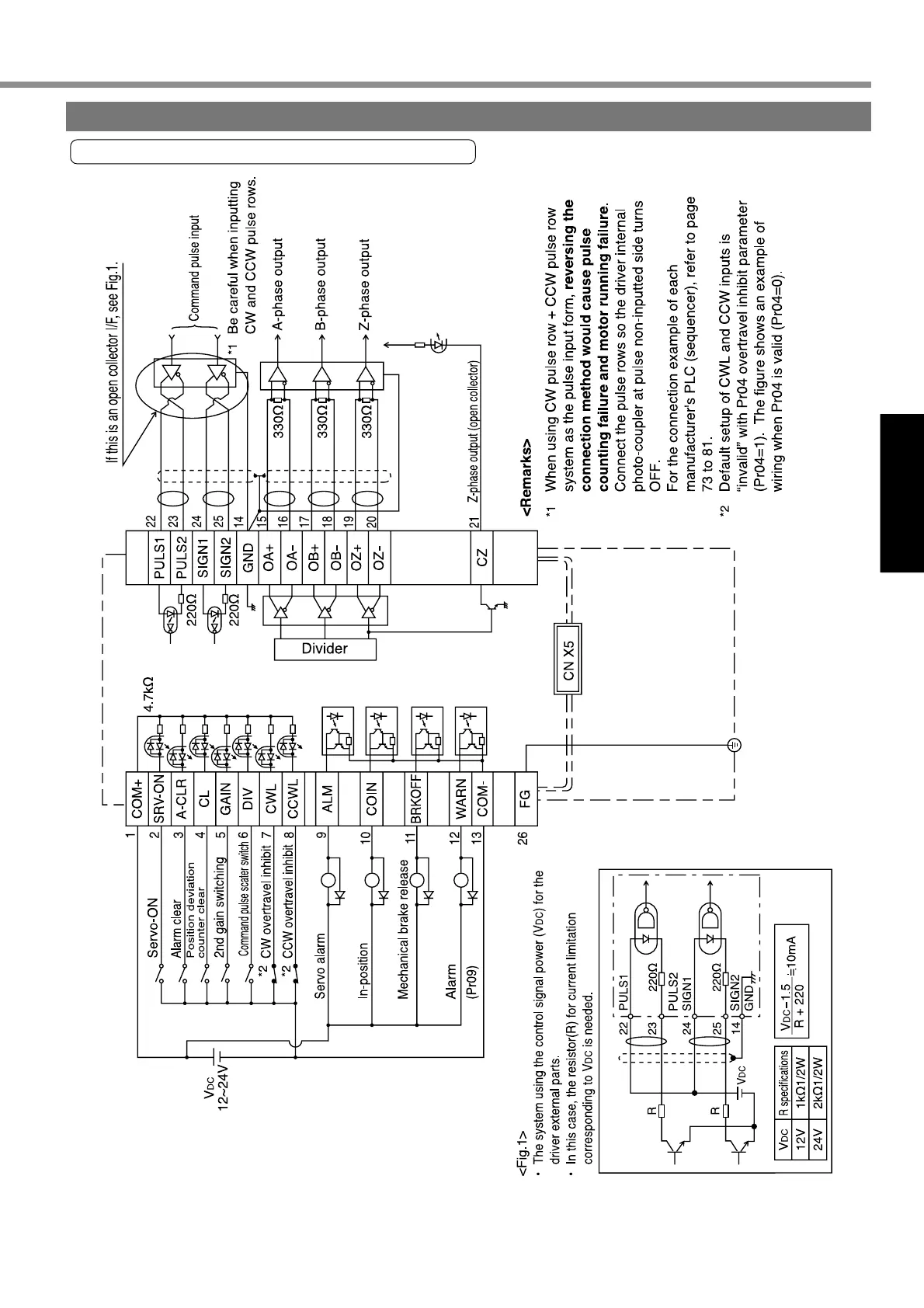
[Connections and Settings in Position Control Mode]
Connections and
Settings in Position
Control Mode
Example of Wiring in Position Control Mode
Example of Wiring in Position Control Mode
Wiring to Connector CN X5
Buy: www.ValinOnline.com | Phone 844-385-3099 | Email: CustomerService@valin.com

Table of Contents

Related product manuals