EasyManua.ls Logo

Panasonic Minas E Series - Page 28

Panasonic Minas E Series
216 pages
Print Icon
To Next Page IconTo Next Page
To Next Page IconTo Next Page
To Previous Page IconTo Previous Page
To Previous Page IconTo Previous Page
Loading...
28
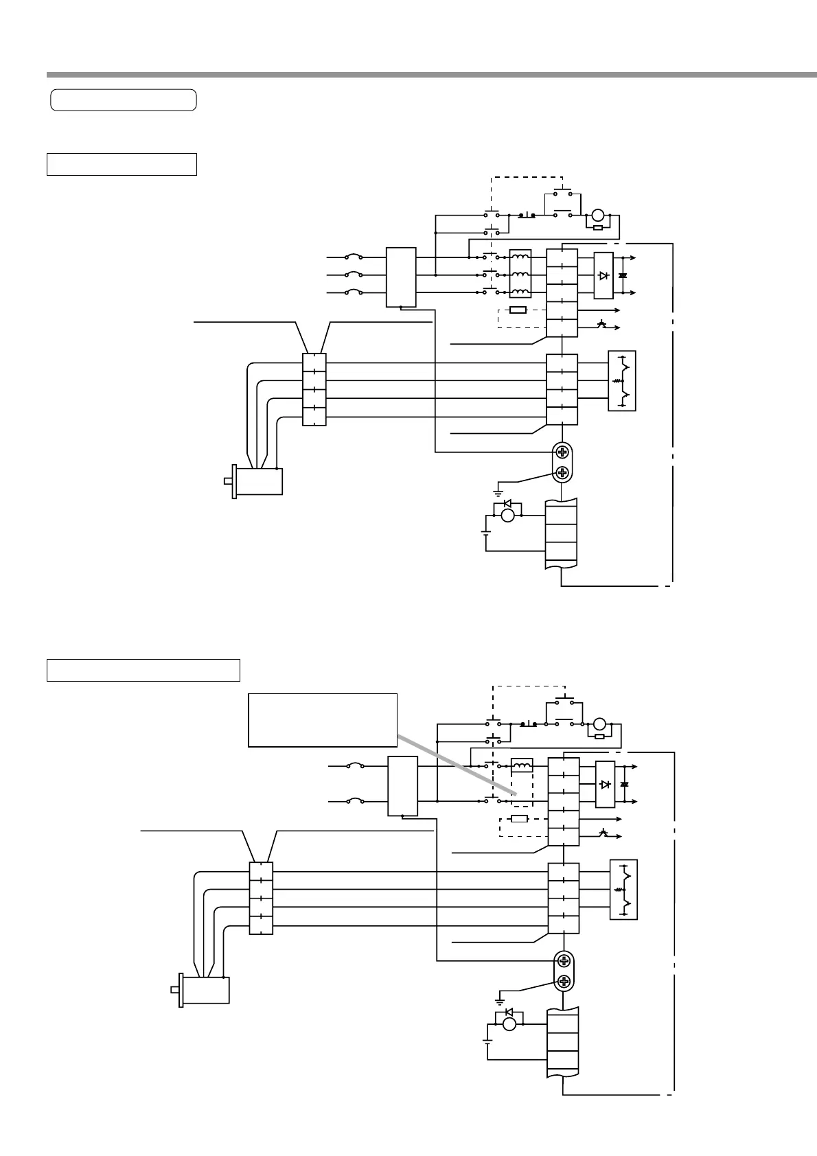
System Configuration and Wiring
Wiring Diagrams
Compose such a power supply as to switch OFF the power against alarm output.
For three-phase 200V
Noise
filter
Red
(Tyco Electronics
AMP K.K.)
Power supply
(Tyco Electronics
AMP K.K.)
White or
yellow
Green
yellow
Motor
172167-1
(Molex Incorporated)
5557-10R-210
(Molex Incorporated)
5557-06R-210
172159-1
1
2
ALM
V
DC
9
3
6
4
1
3
5
6
8
10
ALM
L2
L3
P
P
P
MC
L
MC
NFB
MC
ON
OFF
ALM
N
N
B
U
V
E
W
L1
COM
13
12~24V
3
4
Black
CN X1
CN X3
CN X5
Noise
filter
Red
(Tyco Electronics
AMP K.K.)
Power supply
(Tyco Electronics
AMP K.K.)
White or
yellow
Green
yellow
Motor
172167-1
(Molex Incorporated)
5557-10R-210
(Molex Incorporated)
5557-06R-210
172159-1
1
2
ALM
V
DC
9
3
6
4
1
3
5
6
10
ALM
L2
L3
P
P
P
MC
L
MC
NFB
MC
ON
OFF
N
N
B
U
V
E
W
L1
COM
13
12~24V
3
4
Black
ALM
CN X1
CN X3
CN X5
For single-phase 200V,
use the reactor for
three-phase.
For Single-phase 100V/200V
Buy: www.ValinOnline.com | Phone 844-385-3099 | Email: CustomerService@valin.com

Table of Contents

Related product manuals