EasyManua.ls Logo

Panasonic Minas E Series - Page 74

Panasonic Minas E Series
216 pages
Print Icon
To Next Page IconTo Next Page
To Next Page IconTo Next Page
To Previous Page IconTo Previous Page
To Previous Page IconTo Previous Page
Loading...
74
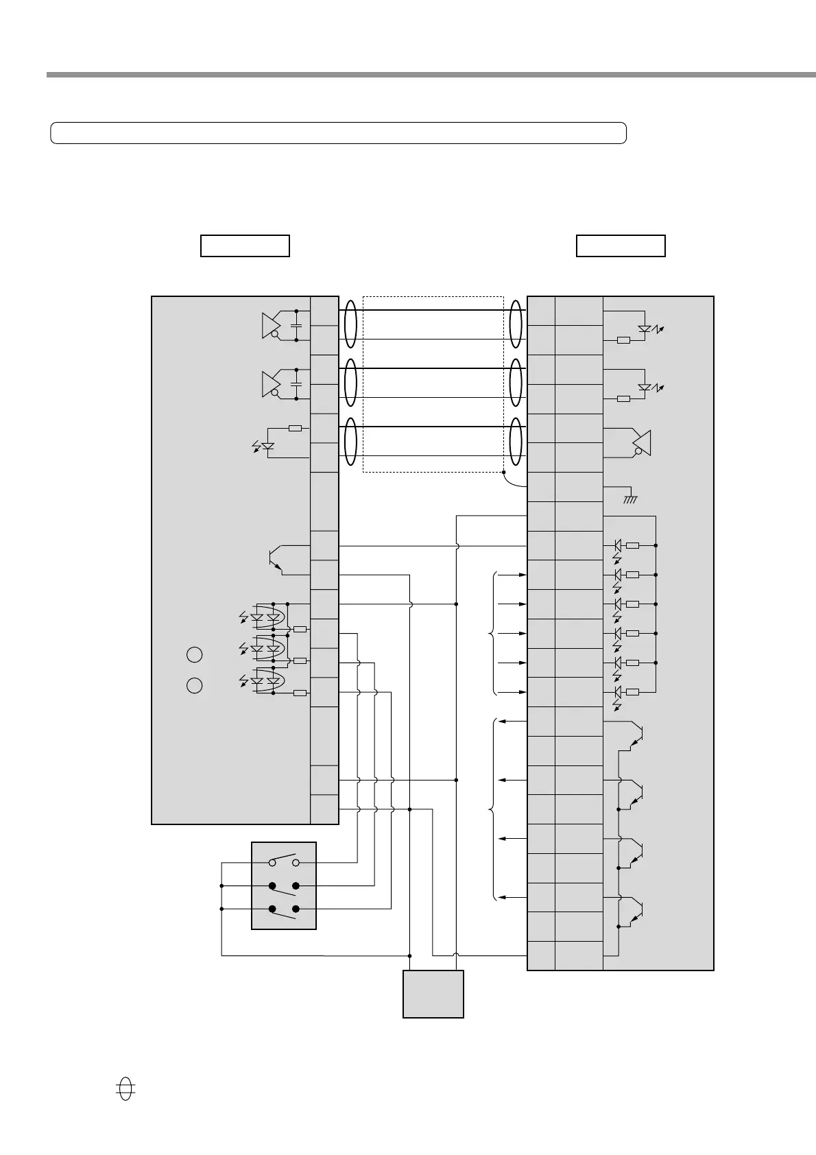
Pulse output A
Pulse output B
Origin input
Deviation counter reset
output
Limit over
Power supply for
internal circuit
+24VDC
GND
Origin proximity
input
A1
(
A10)
B1
(
B10)
A2
(
A11)
B2
(
B11)
A4
(
A13)
B3
(
B12)
A7
(
A16)
B7
(
B16)
B4
(
B13)
A5
(
A14)
A6
(
A15)
B6
(
B15)
A20
B20
PLC
FP2-PP22 AFP2434(Matsushita Electric Works, Ltd.)
FP2-PP42 AFP2435(Matsushita Electric Works, Ltd.)
Driver
E-series
Origin proximity
sensor
CCW limit
sensor
CW limit sensor
+
Limit over
220
220
4.7k
4.7k
4.7k
4.7k
4.7k
4.7k
CW pulse
command
input
PULS1
PULS2
SIGN1
SIGN2
OZ+
OZ
GND
COM+
CL
SRV-ON
GAIN/TC
A-CLR
CCWL
CWL
ALM
COIN
BRKOFF
WARN
COM
22
23
24
25
19
20
14
1
4
2
5
3
8
7
9
10
11
12
13
CCW pulse
command
input
Counter
clear input
Servo-ON
input
Servo alarm
output
Positioning
completion output
Brake release
output
Gain switching
input/torque limit
switching input
Alarm clear
input
Phase Z
output
From PLC
I/O output
To PLC
I/O input
GND +24V
DC24V
power supply
Warning output
CW overtravel
inhibit input
CCW overtravel
inhibit input
Wiring to Connector CN X5
Matsushita Electric Works, Ltd. FP2-PP22 AFP2434/FP2-PP42 AFP2435
This represents a twisted pair cable.
<Remarks>
Buy: www.ValinOnline.com | Phone 844-385-3099 | Email: CustomerService@valin.com

Table of Contents

Related product manuals