EasyManua.ls Logo

Panasonic SA-MAX5000PN - Disassembly of CD Mechanism Unit; Disassembly of CD Interface P.C.B

Panasonic SA-MAX5000PN
85 pages
Print Icon
To Next Page IconTo Next Page
To Next Page IconTo Next Page
To Previous Page IconTo Previous Page
To Previous Page IconTo Previous Page
Loading...
28
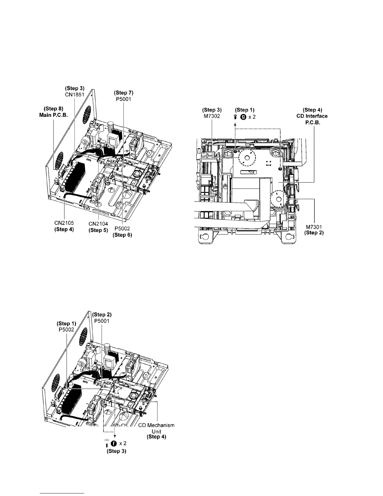
Step 3 Detach 13P Cable at connector (CN1851) on SMPS
P. C.B . .
Step 4 Detach 2P Cable at connector (CN2105) on Main
P. C.B . .
Step 5 Detach 2P Cable at connector (CN2104) on Main
P. C.B . .
Step 6 Detach 24P FFC at connector (P5002) on Main P.C.B..
Step 7 Detach 10P FFC at connector (P5001) on Main P.C.B..
Step 8 Remove Main P.C.B..
8.12. Disassembly of CD Mecha-
nism Unit
Refer to “Disassembly of Top Cabinet Assembly Unit”.
Refer to “Disassembly of Front Panel Unit”.
Step 1 Detach 24P FFC at connector (P5002) on Main P.C.B..
Step 2 Detach 10P FFC at connector (P5001) on Main P.C.B..
Step 3 Remove 2 screws.
Step 4 Remove CD Mechanism.
8.13. Disassembly of CD Interface
P. C. B.
Refer to “Disassembly of Top Cabinet”.
Refer to “Disassembly of CD Mechanism Unit”.
Step 1 Remove 2 screws.
Step 2 Desolder pins of motor (M7301).
Step 3 Desolder pins of motor (M7302).
Step 4 Remove CD Interface P.C.B..

Table of Contents

Related product manuals