EasyManua.ls Logo

Panasonic SA-MAX5000PN - 9 Service Position; Checking of Panel P.C.B; Checking of SMPS P.C.B

Panasonic SA-MAX5000PN
85 pages
Print Icon
To Next Page IconTo Next Page
To Next Page IconTo Next Page
To Previous Page IconTo Previous Page
To Previous Page IconTo Previous Page
Loading...
29
9 Service Position
Note: For description of the disassembly procedures, refer Section 8 of the Service Manual.
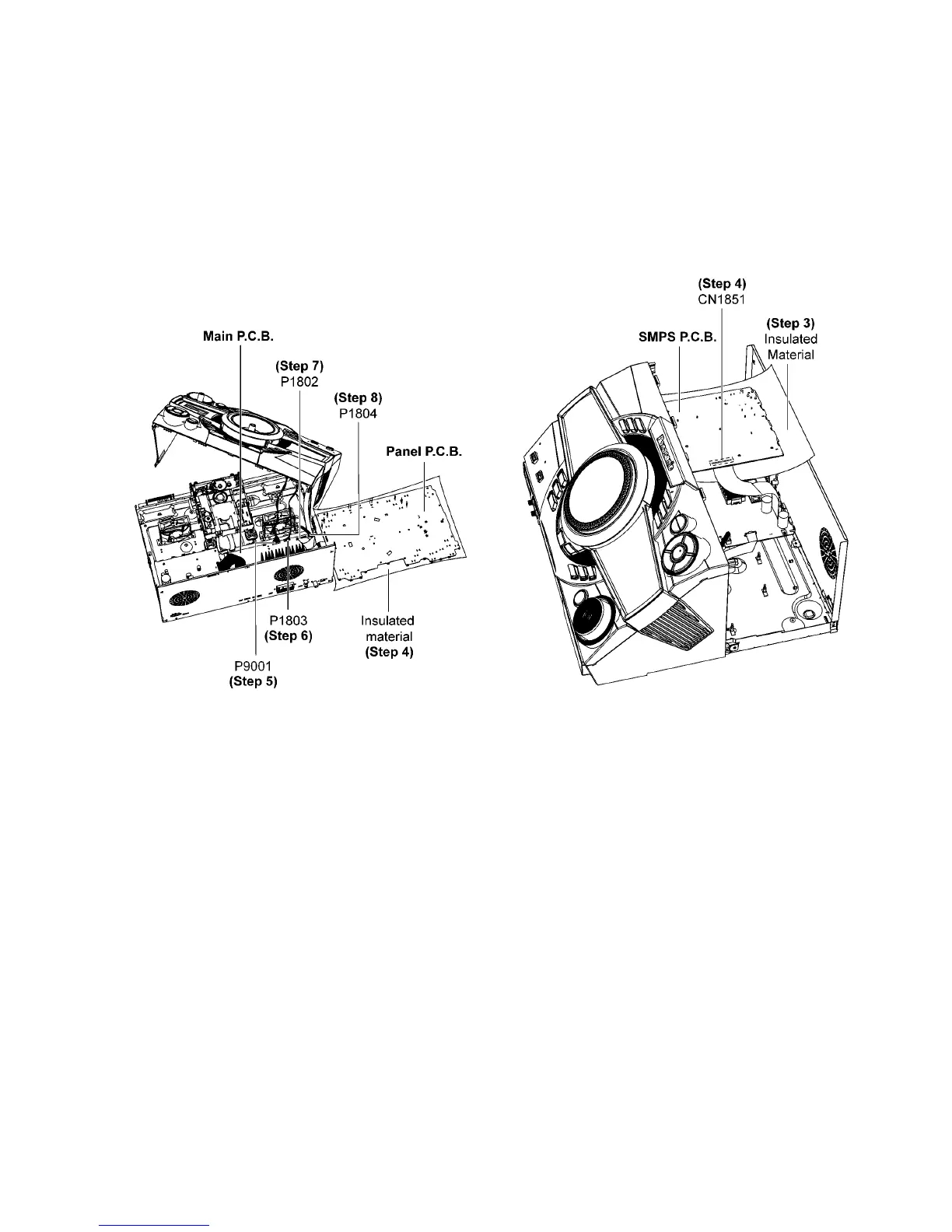
9.1. Checking of Panel P.C.B.
Step 1 Remove Top Cabinet.
Step 2 Remove Front Panel Unit.
Step 3 Remove Panel P.C.B..
Step 4 Place Panel P.C.B. on the insulated material.
Step 5 Attach 12P Cable at connector (P9001) on Main P.C.B..
Step 6 Attach 9P Cable at connector (P1803) on Main P.C.B..
Step 7 Attach 30P FFC at connector (P1802) on Main P.C.B..
Step 8 Attach 12P FFC at connector (P1804) on Main P.C.B..
Step 9 Panel P.C.B. can be checked as diagram shown.
9.2. Checking of SMPS P.C.B.
Step 1 Remove Top Cabinet.
Step 2 Remove SMPS P.C.B..
Step 3 Place SMPS P.C.B. on the insulated material.
Step 4 Attach 13P Cable at connector (CN1851) on SMPS
P. C .B ..
Step 5 SMPS P.C.B. can be checked as diagram shown.

Table of Contents

Related product manuals