EasyManua.ls Logo

Panasonic SA-MAX5000PN - Power Supply

Panasonic SA-MAX5000PN
85 pages
Print Icon
To Next Page IconTo Next Page
To Next Page IconTo Next Page
To Previous Page IconTo Previous Page
To Previous Page IconTo Previous Page
Loading...
37
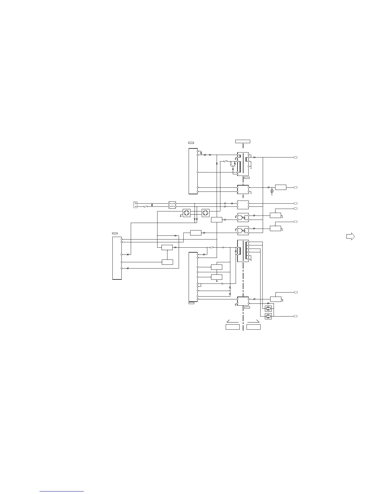
10.3. Power Supply
SA-MAX5000PN/PS POWER SUPPLY (1/3) BLOCK DIAGRAM
TO POWER SUPPLY
BLOCK (2/3)
AM BP
1
2
3
4
5
7
3
2
AC INLET
P1001
F1501
F1401
DZ1001
+40V
SYS5R0V
SWITCHING MODE POWER
SUPPLY CONTROL
IC1402
SHUNT
REGULATOR
IC1701
TRANSFORMER
T1401
D1402D1001
D1601
D1403
D1404
D1406
D1405
D1703
D1705
FEEDBACK
CIRCUIT
FEEDBACK
CIRCUIT
SYNC
CIRCUIT
SYNC
QR1601
PCONT
Q1402
SWITCH
Q1206
SWITCH
Q1502
SWITCH
Q1501
SWITCH
Q1103
SWITCH
L1201
PFC
INDUCTOR
3
4
2
1
Q1405
PCONT
SWITCHING
POWER SUPPLY
IC1501
PFC CONTROL
IC1201
FB
TEMP DET
PCONT
QR1701
3
4
2
1
Q1701
AM BP
4
1
L1002
SMPS P.C.B.
5
VC1 1
CS1 7
VGL 11
VGH 16
VSEN 2
BOP 5
VSENSE 6
VS 15
CS2 8
VB 14
VC2 10
VCC 7
FREQ 4
GATE
8
TRANSFORMER
T1501
5
3
12
8
7
10
9
11
FB 2
VDD 1
D5
VCC 4
CL 3
5
6
3
4
2
7
8
10
9
D1502
D1503
D1205
D1201
D1203
D1506
D1204
SECONDARYPRIMARY
Q1505
SHUNT
REGULATOR
IC1601
Q1404
TH1701
Q1765,Q1766
QR1767
Q1403,Q1702
F1001
SWITCH
POWER MODE
6
QR1720
SWITCH
TEMP
DET
D1416

Table of Contents

Related product manuals