EasyManua.ls Logo

Panasonic SA-MAX5000PN - Page 38

Panasonic SA-MAX5000PN
85 pages
Print Icon
To Next Page IconTo Next Page
To Next Page IconTo Next Page
To Previous Page IconTo Previous Page
To Previous Page IconTo Previous Page
Loading...
38
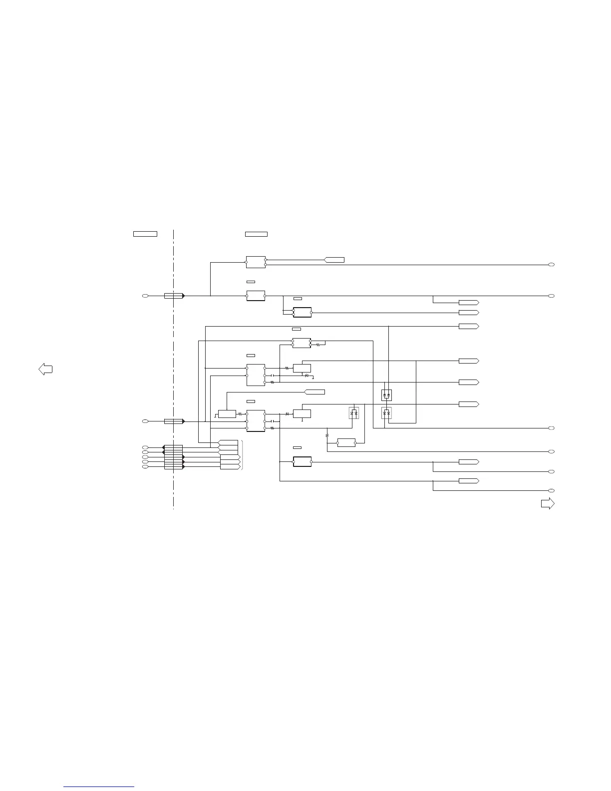
SA-MAX5000PN/PS POWER SUPPLY (2/3) BLOCK DIAGRAM
TO POWER SUPPLY
BLOCK (2/3)
D2104
PW STDBY 3R3V
PW_BT_SW4R6V PW_BT_SW4R6V
3VIN
+3.3V VOLTAGE
REGULATOR
IC2108
VOUT 2
3VIN
+3.3V VOLTAGE
REGULATOR
IC2104
VOUT 2
FROM/TO
SYSTEM CONTROL
FROM
SYSTEM CONTROL
PCONT2
FROM SYSTEM CONTROL
PCONT
PCONT3
MAIN P.C.B.
4VIN
1CN
+1.5V VOLTAGE
REGULATOR
+12V VOLTAGE
REGULATOR
IC2107
VO 3
PW_SOC_1R5V
12
CN2103
PCONT
13
CN2103
SMPS BP
5,6,7
CN2103
+40V
+40V
9
CN2103
SYS5V
8
CN2103
SYNC
10PH
3EN
1BOOT
7VSENSE
2VIN
+5.5V VOLTAGE
REGULATOR
IC2101
10PH
3EN 1BOOT
7VSENSE
2VIN
+15V VOLTAGE
REGULATOR
IC2103
D2111
Q2113
+12V VOLTAGE
REGULATOR
Q2119
DC DETECT
Q2117,QR2102
+5V STANDBY
CONTROL
CIRCUIT
PW_SOC_1R5V
+1.5V
+3.3V
PW MUX +12V
+12V
+15V
PW +36V
+36V
PW SW5R4V
+5.4V
SYNC
1
CN2103
TEMP DET
TEMP DET
11
CN2103
POWER MODE
POWER UP
AM BP
AM BP
Q2116
SWITCH
5 RT/CLK
6
PW SW5R4V
3
PW FL SW12V
1
PW XSW3R3V
PW XSW3R3V
2
PW SW15R0V
D2109
D2105
D2100
1VO
3VIN
4FB
5EN
IC2106
+5.4V DETECT
CIRCUIT
Q2107,QR2103
4
PW SW5R4V ILUM
PW SW3R3V
+3.3V
5
PW SW3R3V
TO
SYSTEM CONTROL
PDET
12
CN1851
PCONT
13
CN1851
SMPS BP
5,6,7
CN1851
9
CN1851
SYS5V
8
CN1851
SYNC
11
CN1851
POWER MODE
1
7
4
5
6
3
2
TEMP DET
1
CN1851
SMPS P.C.B.
TOPOWER SUPPLY
BLOCK (1/3)

Table of Contents

Related product manuals