EasyManua.ls Logo

Panasonic SC-HM910 - Page 19

Panasonic SC-HM910
104 pages
Print Icon
To Next Page IconTo Next Page
To Next Page IconTo Next Page
To Previous Page IconTo Previous Page
To Previous Page IconTo Previous Page
Loading...
SC-HM910/SC-HM810
19
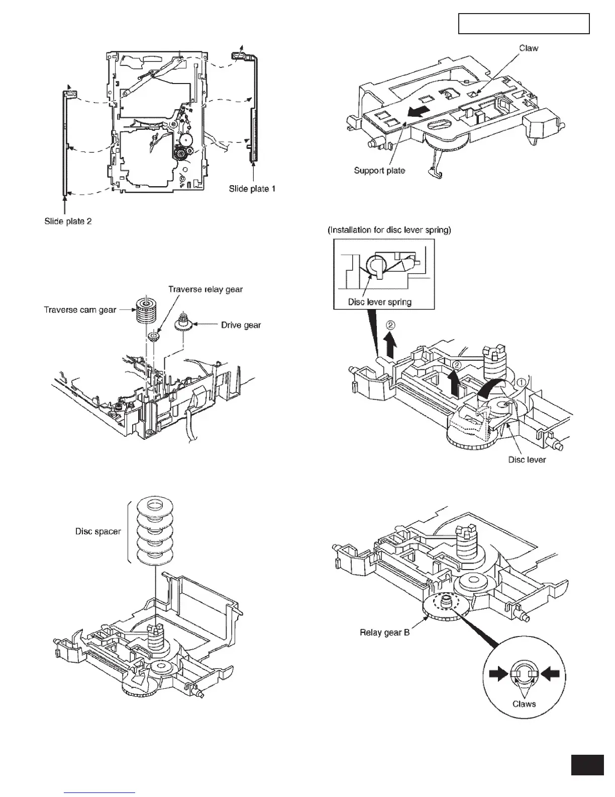
Step 13 Remove the traverse relay gear, traverse cam gear and
drive gear.
(Dissassembly/reassembly for the spindle base unit)
Step 1 Draw the 5 disc spacers.
Step 2 Pushing the claw, slide the support plate in the direc-
tion of arrow, and then remove it.
Step 3 Rotate the disc lever in the direction of arrow (1), draw
the disc lever.
Note:
Take care not to lose the disc lever spring.
Step 4 Release the 2 claws, and then draw the relay gear B.
Step 5 Release the 2 claws as shown below.

Table of Contents

Related product manuals