EasyManua.ls Logo

Panasonic TH-50PH9UK - PB-Board Block and Schematic Diagram; HA-Board Block and Schematic Diagram; HU-Board Block Diagram; HU-Board (1 of 2) Schematic Diagram

Panasonic TH-50PH9UK
159 pages
Print Icon
To Next Page IconTo Next Page
To Next Page IconTo Next Page
To Previous Page IconTo Previous Page
To Previous Page IconTo Previous Page
Loading...
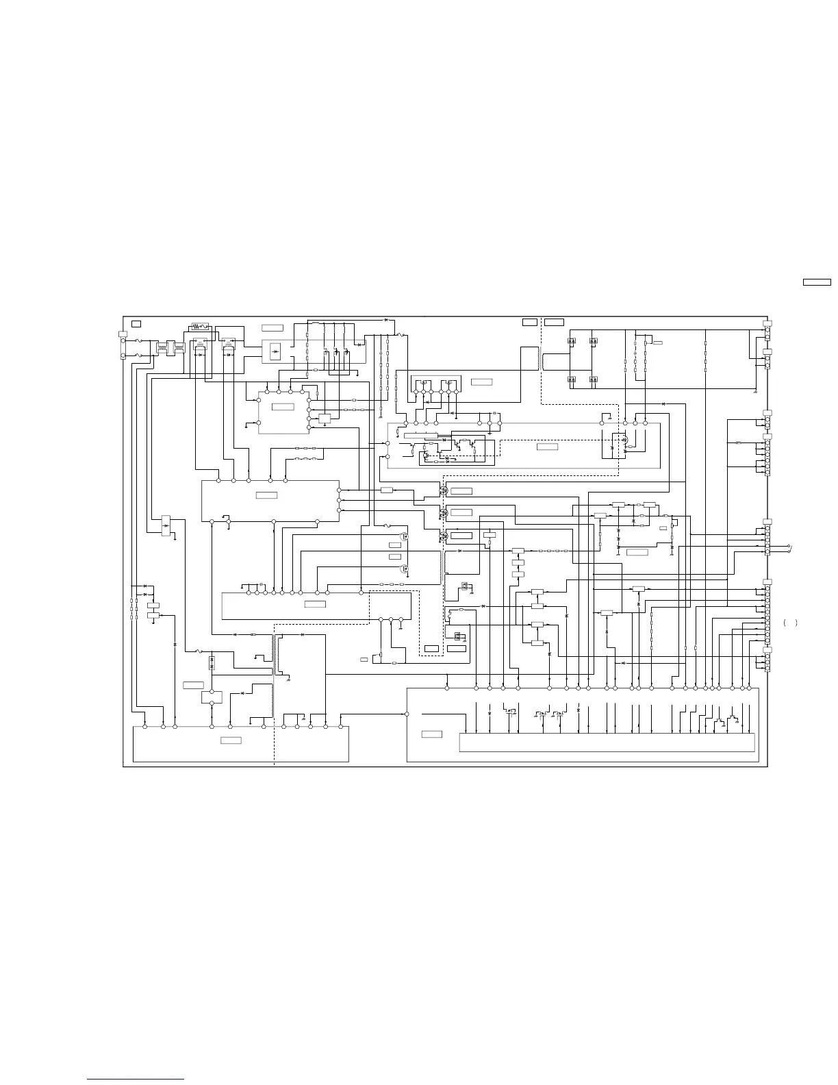
14.3. P-Board Block Diagram
+
+
19
1
17
15Vc
7
GND
VFB
OVP
16
OUT
6
16
IC101
15V_OUT
P23
VR251
2
L102
K101
PANEL_ON
F_STB_15V
P10
3
F_STB_ON
14
1
10
MC701
ALL_OFF
TO J4
VSUS
1
12
15V_IN
BIAS_ON
AC IN
Q103
Q104
4
VSUS
12 9 6
15Vd
14
L=OK
2
VDA
15
T301
VDA
11
H=SOS
2
13
P5
P12
15V_ON
15Vd
13
SW_MAIN
15Vd
1
13
TO SC23
TO SS12
15Vs
8
8
VSUS-OUT
1
17
B1
4
SUS_OUT
9
8
1
STB_IN
2
P25
10
GND
5
B4
NEUTRAL
+5VC
7
AC_DET
+5VC
TO D25
AC-
TO SC2
7
AC-
VSUS
DC(+)
15Vc
P2
DC(-)
MC101
LIVE
7
2
STB5V
3
RECTIFIER&PFC
10
1
P9
1
4
2
MC601
P11
TO J10
16
3
24
3
6
PS_SOS
4
1
8
GND
18
TO SS11
F15V_ON
RF101 3A
18
COLDHOT
COLD
HOT
STB_OUT
PANEL_ON
ALL_OFF
F_STB_ON
PS_SOS
POWER MCU MODULE
P
POWER SUPPLY
MAIN ON/OFF
RUSH ON/OFF
POWER FACTOR
POWER CONTROL
Vsus
POWER SUPPLY
P1
P2
S1
S2
D402
F101
F102
50/60Hz
100-120V
L101
AC-
AC+
D501
PG-
STB
RECTIFIER
(STB)
B2
L502D508
14
BIAS
GND
MC502
RELAY/
PFC CONTROL
MODULE
13
15V-ON/OFF
12
VCC-IN
876 1514
RELAY
RUSH MAIN
RELAY
(VCC-OUT)
BIAS-PFC PFC-15V PFC-SUS
3
ON/OFF
PFC
11
ON/OFF
SUS
2
ON/OFF
BIAS
51014
MC301
Vda/STB POWER CONTROL MODULE
11
Fsw-ON
13
ON/OFF
2169
GH SH GL I+ BIAS
12
PC503
BIAS_ON/OFF
4
10 16 3 5
VDETIDETVCC
8
CORRECTOR
7
BIAS_G
VIN-
6
ON/OFF
12
9
VC
AKD1D2
L103
D104
D3
G3S3 G2S2 G1S1
PFC
PG
F201
MC202
P1
P2
I+
91
GH
2
SH
6
GL
PG
SL
51014
12
13
BIAS
ON/OFF
PC505
R253
R254
R255
22
V+
Vsus
MC201
POWER SUPPLY
23 2425
STOPVCC
S2
S1
D251 D255
D253 D254
OVVDD
20
PFC_ON
25
Vda_ON
(VDD)
15
Vda_LOW
26
SUS_ON
2
SUS_STOP
1
STB_ON
5VC_ON
19
Vda_OUT
22
SW_MAIN
5
5VC_OUT
17
18
AC DETVo_WPVo_S+
206
D511
GNDVBias GND_S- GND_OVP
PG_STB
P2
P1
BIAS GND
T501
S1A
S1B
S2A
S2B
D551
22 23
OVV+ VCC
25
VR351
15V
D352
S5
S4B
B3
S4A
D355
Q353
Q354
F15V_ON
Q352
Q351
15V_ON
15Vc
Q551
D554
STB-
ON/OFF
D555
F_STB_15V
F_STB_15V
D556
10
STB_PS
MAIN
SW
PFC_ON/OFF
PC506
1
Q403
Q402
Q401
Vda_ON
S6
D403
Q404
Q405
SW
SW
Q406
L401
VR401
Vda
ZD408
ZD405
ZD406
Vda DET
IC401
ZD407
Q553
ZD353
4
15Vc
15Vc
15Vs
15Vs
R258
R259
R260
R261
20
Vda_Low(Vda_DET)
P06P14P03AD1 P12 P30 P05 P02 P04 AD2 P11 AD4 P20 P10 P13 AD5 P01 P21 P22 P31
POWER MCU
R307 R306
R305
Q302
BIAS
Q301
Vsus 180V
K102
3
2
Q106
SW
23
4
F301
IC
213
DGS GSD
465
B3
5V_ON
Q552
P07 AD0
21
STB_ON
9
<exchange board only>
<Exchange board only>
ZD351
R305
D502
3
AC_N
CONTROL
Q502
D503
4
4
D506
D505
IC501
F501
Q501
MODULE
5
57
AC_L DISCHG
PG
<Exchange board only>
<Exchange board only>
D252
P00
<Exchange board only>
<Exchange board only>
<Exchange board only>
TH-50PH9UK
P-Board Block Diagram
TH-50PH9UK
P-Board Block Diagram
TH-50PH9UK
71

Table of Contents

Other manuals for Panasonic TH-50PH9UK

Related product manuals