EasyManua.ls Logo

Panasonic TH-50PH9UK - C2-Board (1 of 3) Schematic Diagram

Panasonic TH-50PH9UK
159 pages
Print Icon
To Next Page IconTo Next Page
To Next Page IconTo Next Page
To Previous Page IconTo Previous Page
To Previous Page IconTo Previous Page
Loading...
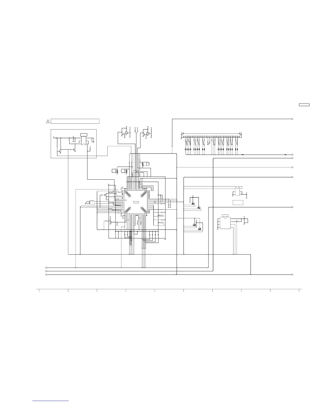
14.31. D-Board (2 of 8) Schematic Diagram
RCLK_E-
SOS7_SC2
EEP_WR_CTL
M_SEL1
LVDSBIT
P3V_SCL1
RCLK_E+
SOS9_CONF
RA_0+
RA_E-
P3V_SDA1INEXCH
ALARM
RB_0-
SOS6_SC1
RA_E+
STB_SCL01
RB_0+
SOS8_SS
EEP_WR_CTL
STB_SCL01M_SEL4
RB_E-
SOS4_PS
STB_SDA01
XRST
XRST
M_SEL3
RC_0-
PANEL_MAIN_ON
RB_E+
STB_SDA01
REM_IN
RC_0+
C_SEL
P_ON/OFF
PANEL_STBY_ON
SOS9_CONF
RD_0-
M_SEL2
LED_R
NRST
RC_E+
STBY3.3V_ON
M_SEL2
PANASONIC_MODE
RD_0+
LED_G
RD_E-
RE_0-
RD_E+
TXD_PC
RE_0+
RE_E-
RXD_PC
LVDS_DET
STB_SDA02
P3V_SDA02
P3V_SCL02
STB_SCL02
P3V_SCL02
XRST
STB_SCL02
P3V_SDA02
STB_SDA02
RE_E+
RA_0-
DRVRST
XRST2
XRST2
DCLK
DATA0
ASDIO
NCS
STB_SCL02
STB_SDA02
READY
VDATA_DET
LVDS_MODE
M_SEL4
D5_DETO
RC_E-
FVSEL
XRST
AR_IIC_CONT
AR_IIC_INT
M_SEL1
M_SEL3
R9108
10k
*R9157
10k
R9145
100
R9172
39k
R9188
5.6k
R9143
100
R9148
10k
R9109
10k
R9121
100k
R9222
10k
STB5V
P15V
R9171
39k
R9102
100
STB3.3V
R9175
10k
R9141
100
R9140
0
R9205
4.7k
R9181
1k
R9101
10k
R9152
4.7k
R9167
100
C9046
16V
0.1u
P5V
R9204
4.7k
C9039
6.3V
10u
R9217
10k
C9033
16V
0.1u
C9056
16V
0.1u
R9247
4.7k
R9156
10k
TP9000
C9044
16V
0.1u
R9190
10k
C9052
16V
0.1u
STB3.3V
Q9200
B1CBHD000002
IC9011
C0EBF0000431
1
RESET
2
Cd
3
VOUT
4
VDD
5
GND
6
CE
R9184
1k
R9063
100
R9166
10k
R9155
5.6k
R9111
22k
D9017
MAZ303300L
R9203
1k
R9183
1k
C9051
16V
0.1u
Q9057
B1CBHD000002
R9074
100
Q9046
B1ABCF000138
R9107
3.3k
R9189
10k
R9064
100
C9050
16V
0.1u
Q9053
B1ABCF000138
R9178
10k
R9100
10k
R9221
10k
R9207
1k
R9066
100
R9120
100
*R9199
2.7k
R9161
0
TVRN992
IC9003
1
2
3
4
5
6
CNVSS
7
8
9
RESET
10
XOUT
11
VSS
12
XIN
13
VCC
14
15
16
17
18
19
20
21
22
23
24
25
26
27
28
29
30
31
32
33
34
35
36
37
38
39
40
41
42
43
44
45
46
47
48
49
50
51
52
53
54
55
56
57
58
59
60
61
62
63
64
65
66
67
68
69
70
71
72
73
74
75
AVSS
76
77
VREF
78
79
80
R9150
22
*R9209
10
Q9054
B1ABCF000138
Q9058
B1CBHD000002
Q9044
B1ABCF000138
R9185
22
C9053
16V
0.1u
D9020
MA2J72800L
STB3.3V
R9218
10k
R9179
1k
C9049
16V
0.1u
R9067
100
R9142
100
Q9201
B1CBHD000002
C9045
16V
0.1u
P3.3V
R9248
4.7k
R9192
0
R9180
10k
R9076
100
R9164
10k
R9165
10k
R9129
68k
R9153
4.7k
R9097
10k
STB3.3V
R9095
10k
Q9052
B1ABCF000138
C9037
0.01u
50V
D9019
MAZ303300L
R9173
10k
R9144
100
P3.3V
R9236
0
X9000
H2D200500011
R9113
10
Q9049
B1ADCE000011
P3.3V
R9151
22
R9237
10k
R9127
10k
R9062
100
C9034
16V
0.1u
R9174
10k
C9047
16V
0.1u
C9036
6.3V
10u
R9159
10k
R9196
10k
*R9210
2.7k
IC9001
1
A0
2
A1
3
A2
4
GND
5
SDA
6
SCL
7
WP
8
Vcc
R9193
10k
Q9051
B1ABCF000138
D5
1
2
3
4
5
6
7
8
9
10
11
12
13
14
15
16
17
18
19
20
21
22
23
24
25
26
27
28
29
30
31
R9149
4.7k
IC9002
C0ZBZ0001330
1
SCL
2
GND
3
ADD1
4
V+
5
ADD0
6
SDA
P3.3V
R9206
1k
R9106
10k
R9065
100
R9160
0
C9040
16V
0.1u
R9110
100
R9219
10k
C9055
16V
0.1u
R9220
10k
R9182
1k
R9215
12k
R9154
5.6k
STB3.3V
R9186
22
R9060
100
R9169
10k
R9170
39k
R9134
33k
C9048
16V
0.1u
R9187
5.6k
R9194
0
R9061
100
STB3.3V
C9057
16V
0.1u
D9018
MAZ303300L
C9035
6.3V
10u
R9158
10k
Q9050
B1ABCF000138
R9168
100
C9058
6.3V
10u
STB3.3V
D9101
B0JCGD000002
D9100
B0JCGD000002
D9102
B0JCGD000002
D9103
B0JCGD000002
D9106
B0JCGD000002
D9105
B0JCGD000002
D9110
B0JCGD000002
STB5V_M
R9177
22k
IIC_CONT
NC
GND
DRIVER_RESET
SCLK(for Loader)
IIC1_SCL
SOS8_SS
NC
CE(Loader)
E+ LVDS2
NC
O+ LVDS3
E+ LVDS1
SOS4_PS
GND
XRST
O+ LVDS0
RESET
IIC1_SDA
BUSY(for Loader)
NC
GND
NC
NC
E- LVDS2
FPGA_CE
NC
SOS7_SC2
NC
XOUT
REM_IN
SOUT(FPGA)
GND
NC
O- LVDS3
NC
FVSEL
E+ LVDS3
PLL_RST
M_SEL2
SIN(FPGA)
NC
LSI_RST
E- LVDS3
M_SEL3
O+ LVDS1
ALARM
INEXCH
E+ LVDS4
AC_GOOD
O- LVDS1
P_ON/OFF
STB3.3V ON/OFF
GND
NC
E- LVDS4
LVDS_DET
E+ LVDSCLK
SOS6_SC1
O+ LVDS2
NC
AVCC
O- LVDS2
VSS
PANEL_MAIN_ON
NC
E- LVDS0
SOS9_CONF
GND
SCLK(FPGA)
EEP_WR_CTL
NC
O+ LVDS4
LED_GRN
O- LVDS4
IIC_INT
E+ LVDS0
M_SEL4
NC(ALL_OFF)
IIC2_SCL
SOS_INH
SOS5_5V
XIN
NC(C_SEL)
IIC2_SDA
PANASONIC
_MODE
O- LVDSCLK
LVDS_MODE
NC
NC
O+ LVDSCLK
VCC
E- LVDSCLK
NC
TXD(Loader)
O- LVDS0
LVDS_BIT
SOS3_3V
READY
RXD(Loader)
INT_CONF
E- LVDS1
LED_RED
SOS2_15V
M_SEL1
NC
MAIN_CONF
VDATA_DET
1413 15 181610 11 12 17
NC
MICOM
EEPROM
SENSOR
TEMPERATURE
DIGITAL
TO
DA-BOARD
(DA5)
1
3
2
12
13
14
15
16
17
11
D-BOARD TNPA3820ADS (2/8)
TVR9017S
TH-50PH9UK
D-Board (2 of 8) Schematic Diagram
TH-50PH9UK
D-Board (2 of 8) Schematic Diagram
STB 3.3V
RESET
TH-50PH9UK
99

Table of Contents

Other manuals for Panasonic TH-50PH9UK

Related product manuals