EasyManua.ls Logo

Panasonic TH-50PH9UK - DA-Board (1 of 2) Block Diagram

Panasonic TH-50PH9UK
159 pages
Print Icon
To Next Page IconTo Next Page
To Next Page IconTo Next Page
To Previous Page IconTo Previous Page
To Previous Page IconTo Previous Page
Loading...
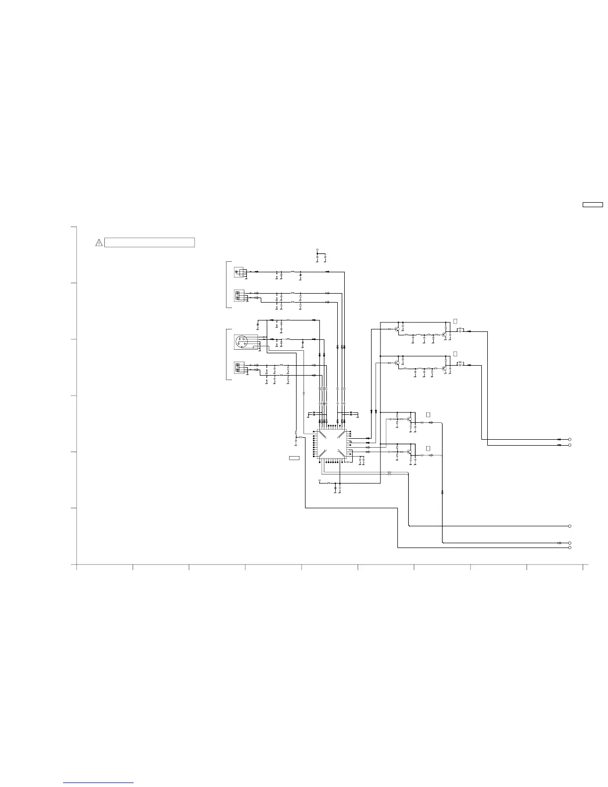
14.9. HU-Board (1 of 2) Schematic Diagram
C
Y
+
+
+
AE_R
AE_L
F_SDA
F_SCL
9V
D3302
MAZ81400ML
R3338
1k
R3304
22k
L3306
EXC3BB221H
R3324
100
C3312
10V
1u
D3309
MAZ81400ML
R3327
330
Q3301
2SD0601ARL
C3326
50V
47p
R3322
33k
S3302
GAP0.3
C3301
50V
560p
C3303
50V
560p
R3301
75
C3319
16V
0.1u
R3326
330
R3339
1k
S3303
GAP0.3
R3331
100
C3308
10V
1u
C3310
10V
1u
JK3304
K1CB106B0027
C3321
50V
10p
R3306
22k
C3446
16V
0.1u
L3309
G1C100K00020
C3331
10V
10u
S3305
GAP0.3
C3448
16V
0.1u
Q3305
2SB0709ARL
C3450
16V
1u
C3426
16V
47u
C3307
10V
10u
C3309
16V
47u
L3301
EXC3BB221H
C3311
16V
0.1u
R3413
22
R3334
430
D3310
MAZ81400ML
L3303
EXC3BB221H
Q3302
2SD0601ARL
L3308
G1C100K00020
C3316
10V
1u
D3306
MAZ81400ML
D3307
MAZ81400ML
R3336
100
R3307
22k
R3335
430
9V
C3329
1000p
50V
S3307
GAP0.3
JK3302
K2HA204B0097
L
L-G
R
R-G
R3305
22k
9V
C3328
16V
0.1u
L3307
EXC3BB221H
D3304
MAZ81400ML
R3337
100
R3411
1k
JK3301
K1QBB1AB0008
P2347
R3310
220
R3414
22
R3332
127
C3304
50V
560p
C3427
16V
0.1u
L3319
J0JHC0000078
R3329
1k
R3333
127
R3316
220
Q3304
2SD0601ARL
C3318
10u
10V
R3321
47k
R3328
1k
R3325
100
S3306
GAP0.3
C3306
10V
1u
JK3303
K2HA204B0097
L
L-G
R
R-G
L3302
EXC3BB221H
C1AB00000461
IC3301
1
V1
2
LV1
3
Y1
4
RV1
5
C1
6
S2-1
7
S-1
8
V2
9
LV2
10
Y2
11
RV2
12
C2
13
S2-2
14
S-2
15
V3
16
LV3
17
Y3
18
RV3
19
C3
20
S2-3
21
S-3
22
LV4
23
V4
24
RV4
25
ADR
26
SCL
27
SDA
28
DC OUT
29
COUT2
30
LOUT2
31
YOUT2
32
ROUT2
33
VOUT2
34
Vcc
35
MUTE
36
YIN1
37
BIAS
38
CIN1
39
LOUT1
40
VOUT1
41
ROUT1
42
TRAP1
43
YOUT1
44
GND
45
COUT1
46
LTV
47
TV
48
RTV
R3314
220
Q3303
2SD0601ARL
Q3306
2SB0709ARL
R3308
1k
C3320
16V
0.1u
C3325
50V
47p
R3315
220
R3317
220
C3451
16V
0.1u
C3315
16V
47u
GAP0.3
S3301
R3330
100
R3302
75
C3317
10u
10V
L3305
EXC3BB221H
C3327
16V
0.1u
R3319
100
C3302
50V
560p
R3318
100
R3309
220
C3314
10V
10u
R3303
75
L3304
EXC3BB221H
D3308
MAZ81400ML
C3305
10V
10u
S3304
GAP0.3
C3332
10V
10u
R3320
33k
R3312
220
C3330
1000p
50V
R3323
47k
C3322
50V
10p
C3313
10V
10u
R3416
0
R_IN
L_IN
R_IN
L_IN
VIDEO
S-VIDEO
IN
IN
VLYRCLR
C(+6dB) 4.5V
V/Y(+6dB) 3.3V
R(0dB) 4.5V
L(0dB) 4.5V
C
Y
R
L
B
E
96873
D
4
C
12
F
5
A
HU-BOARD TXNHU1ZFTU (1/2)
4
1
5
3
2
VIDEO IN
AUDIO IN
S-VIDEO IN
AUDIO IN
AV SW
TH-50PH9UK
HU-Board (1 of 2) Schematic Diagram
TH-50PH9UK
HU-Board (1 of 2) Schematic Diagram
TH-50PH9UK
77

Table of Contents

Other manuals for Panasonic TH-50PH9UK

Related product manuals