EasyManua.ls Logo

Panasonic TH-50PH9UK - HU-Board (2 of 2) Schematic Diagram; HX-Board Block and Schematic Diagram

Panasonic TH-50PH9UK
159 pages
Print Icon
To Next Page IconTo Next Page
To Next Page IconTo Next Page
To Previous Page IconTo Previous Page
To Previous Page IconTo Previous Page
Loading...
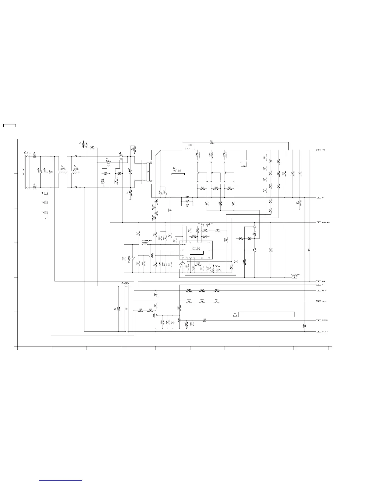
14.4. P-Board (1 of 2) Schematic Diagram
B
E
96873
D
4
C
12
F
5
A
TH-50PH9UK P-Board (1 of 2) Schematic Diagram
TH-50PH9UK P-Board (1 of 2) Schematic Diagram
P-BOARD ETXMM610MEFA (1/2)
POWER FACTOR
CORRECTOR
RECTIFIER&PFC
TH-50PH9UK
72

Table of Contents

Other manuals for Panasonic TH-50PH9UK

Related product manuals