EasyManua.ls Logo

Panasonic TH-50PH9UK - DA-Board (1 of 6) Schematic Diagram

Panasonic TH-50PH9UK
159 pages
Print Icon
To Next Page IconTo Next Page
To Next Page IconTo Next Page
To Previous Page IconTo Previous Page
To Previous Page IconTo Previous Page
Loading...
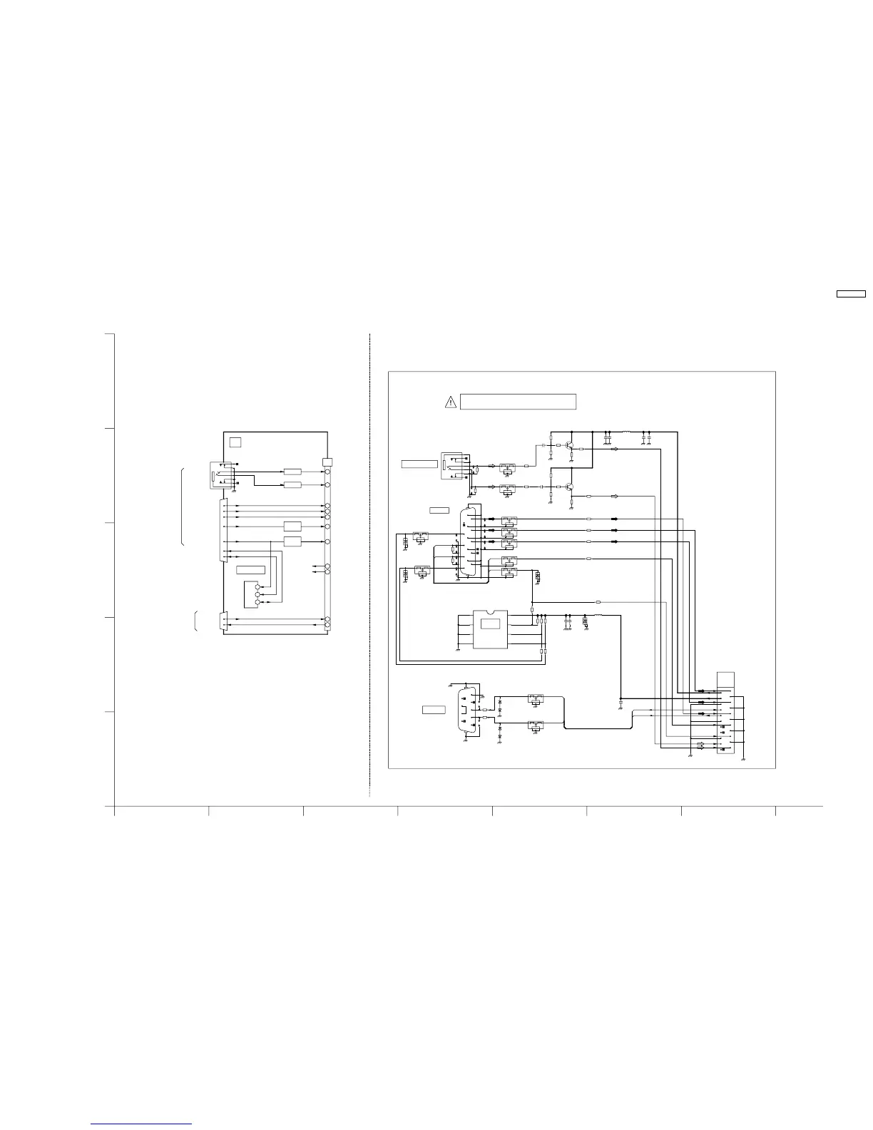
14.11. HX-Board Block and Schematic Diagram
+
+
+
AC_HD
AC_VD
AC_VD
AB_RXD
AB_TXD
AC_HD
AB_RXD
AB_TXD
JK3513
L3512
J0HAAB000012
1
2
3
4
R3672
100
Q3532
2SD0601A0L
R3777
100
C3550
50V
0.01u
C3409
16V
0.1u
L3513
J0HAAB000012
1
2
3
4
R3585
56
D3507
MAZ81600HL
R3654
33k
R3663
1k
HX1
1
2
3
4
5
6
7
8
9
10
11
22
21
20
19
18
17
16
12
13
14
15
C3523
16V
47u
R3529
180k
C3405
16V
47u
R3664
1k
IC3502
C3EBCC000020
1
NC
2
NC
3
NC
4
VSS
5
SDA
6
SCL
7
VCLK
8
VCC
C3562
1u
16V
R3778
47k
L3510
J0HAAB000012
1
2
3
4
L3555
ELJPA100KF
Q3531
2SD0601A0L
L3508
J0HABB000004
1
2
3
4
R3776
100
D3510
MAZ81600HL
L3526
ELJPA100KF
R3590
56
R3510
100
R3400
10k
JK3513
K2HC103B0105
R3530
180k
L3511
J0HAAB000012
1
2
3
4
R3591
0
C3561
1u
16V
R3592
0
D3502
MAZ30560ML
JK3509
1
2
3
4
5
8
9
6
7
L3515
J0HAAB000012
1
2
3
4
C3551
16V
47u
R3547
100
C3524
50V
0.01u
D3504
MAZ30560ML
R3655
15k
R3653
15k
R3508
4.7k
L3509
J0HABB000004
1
2
3
4
JK3511
1
2
3
4
5
6
7
8
9
10
11
12
13
14
15
R3586
56
R3593
0
R3791
100
D3503
MAZ30560ML
R3668
100
L3514
J0HAAB000012
1
2
3
4
R3548
100
R3656
33k
R3511
100
L3507
J0HABB000004
1
2
3
4
R3589
47k
R3509
4.7k
R3790
100
L3517
J0HAAB000012
1
2
3
4
D3508
MAZ81600HL
D3509
MAZ81600HL
C3404
16V
0.1u
L3516
J0HAAB000012
1
2
3
4
D3501
MAZ30560ML
813 7
B
42
A
56
D
E
C
6
5
7
VCLK
SDA
15
SCL
L AMP
DDC EEPROM
Q3532
IC3502
R IN
PC R
L IN
14
PC B
12
PC HD
13
PC VD
1
SCL
2
SDA
3
PC IN
JK3511
PC R
PC B
PC HD
R AMP
PC VD
PC G
PC Ls
PC Rs
Q3531
TXD
3
2
13
RXD
RXD
TXD
11
19
18
JK3509
RS-232C
5
HX
PC/RS-232C Terminal
PC G
1
HX1
9V
5V
22
3
21
R
L
Q3535
Q3533
Q3536
Q3534
TO J14
9
7
TXD
DTR
CD
VD
HD
TJS8A9880
PC IN
DSR
5V
PC AUDIO IN
9V
TXD
GND
9V
PC Ls
PC Rs
PC R
PC G
EEPROM
PC B
DDC
STB5
RXD
TO
(J14)
J-BOARD
HX-BOARD TXNHX10ZMT
RS-232C
RXD
CTS
RTS
PCis
RI
L
R
0
0
0
5.2
0
5.0
0.4
0.4
9.0
0
0
0
0
5.2
0.4
5.0
0
0
0.4
0.4
0
0
TH-50PH9UK
HX-Board Block and Schematic Diagram
TH-50PH9UK
HX-Board Block and Schematic Diagram
TH-50PH9UK
79

Table of Contents

Other manuals for Panasonic TH-50PH9UK

Related product manuals