EasyManua.ls Logo

Perkins 1204-E44TA - Page 273

Perkins 1204-E44TA
524 pages
Print Icon
To Next Page IconTo Next Page
To Next Page IconTo Next Page
To Previous Page IconTo Previous Page
To Previous Page IconTo Previous Page
Loading...
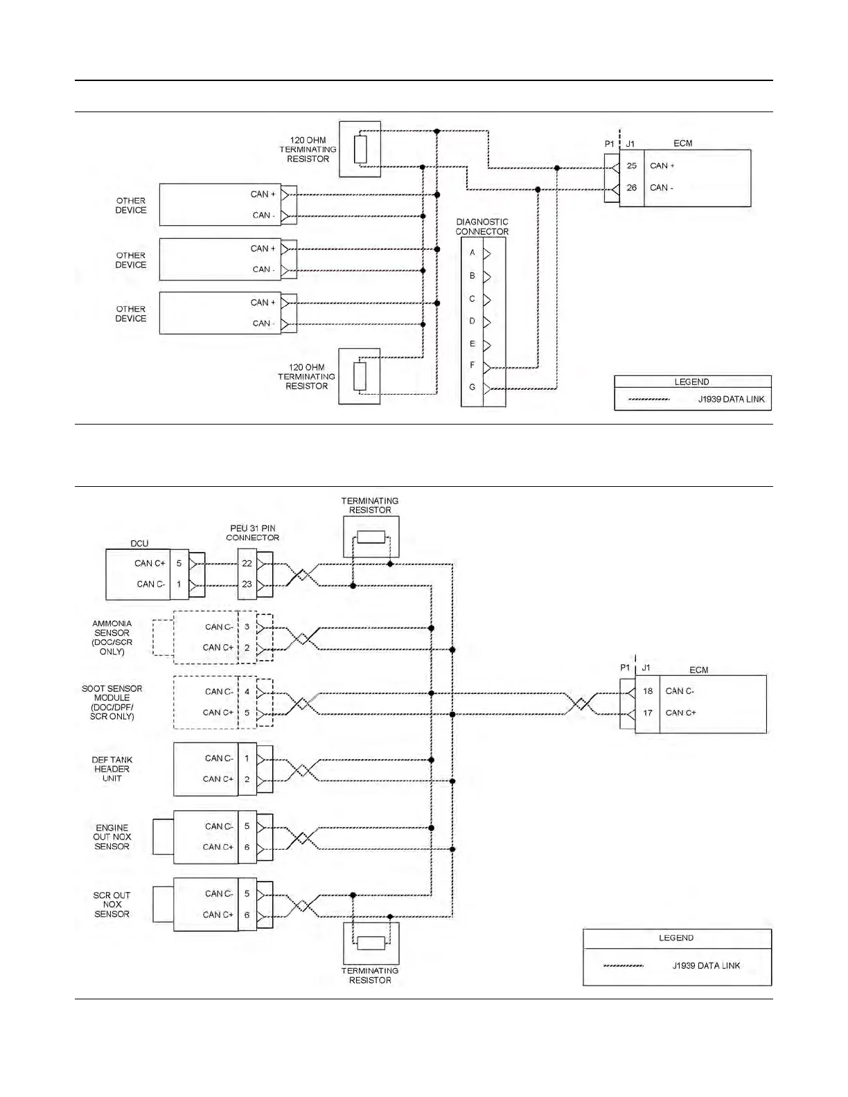
Illustration 93 g03705249
Typical example of the schematic for the CAN A data link
Illustration 94 g03705266
Typical example of the schematic for the CAN C data link
UENR4469-36 273
Circuit Tests
Copyright of Perkins Engine Company Limited. NOT FOR REPRINTING OR RESALE

Table of Contents

Related product manuals