EasyManua.ls Logo

Perkins 1204-E44TA - Page 291

Perkins 1204-E44TA
524 pages
Print Icon
To Next Page IconTo Next Page
To Next Page IconTo Next Page
To Previous Page IconTo Previous Page
To Previous Page IconTo Previous Page
Loading...
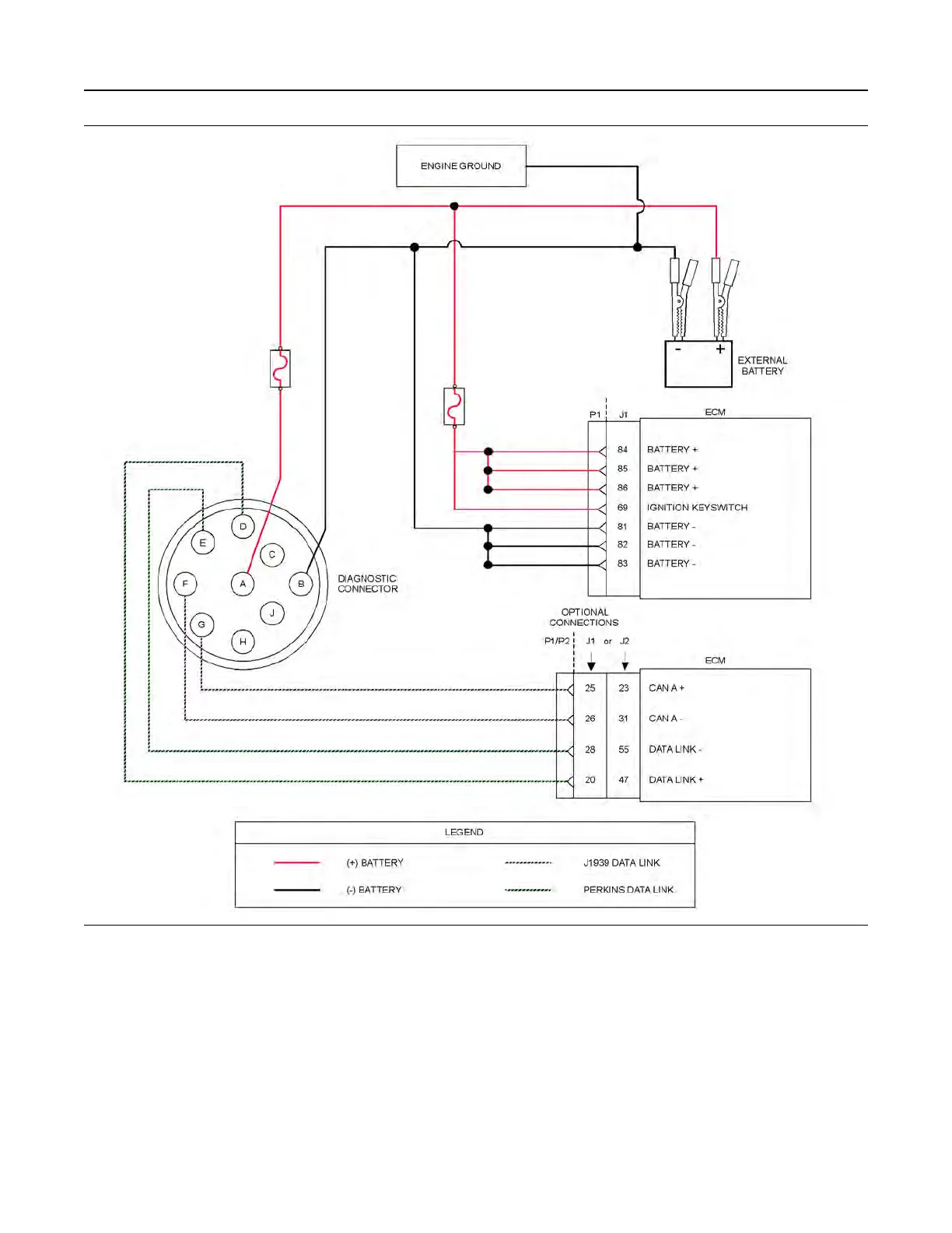
Illustration 98 g03732687
Schematic of the bypass harness connector
UENR4469-36 291
Circuit Tests
Copyright of Perkins Engine Company Limited. NOT FOR REPRINTING OR RESALE

Table of Contents

Related product manuals