EasyManua.ls Logo

Printronix P9212 - Page 53

Printronix P9212
298 pages
Print Icon
To Next Page IconTo Next Page
To Next Page IconTo Next Page
To Previous Page IconTo Previous Page
To Previous Page IconTo Previous Page
Loading...
227
Principles of Operation
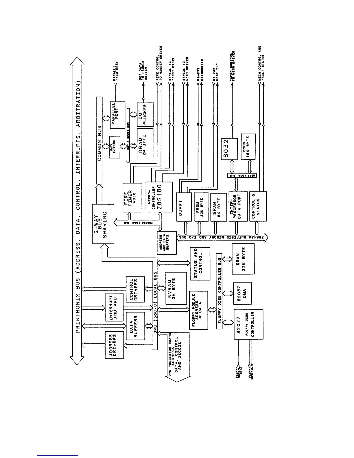
Figure 216. Hardware Implementation of the LMI Board

Table of Contents

Related product manuals