EasyManua.ls Logo

Quectel RG520N-AT - RF Connector Recommendation

Quectel RG520N-AT
114 pages
Print Icon
To Next Page IconTo Next Page
To Next Page IconTo Next Page
To Previous Page IconTo Previous Page
To Previous Page IconTo Previous Page
Loading...
5G Module Series
RG520N-AT_Hardware_Design 80 / 109
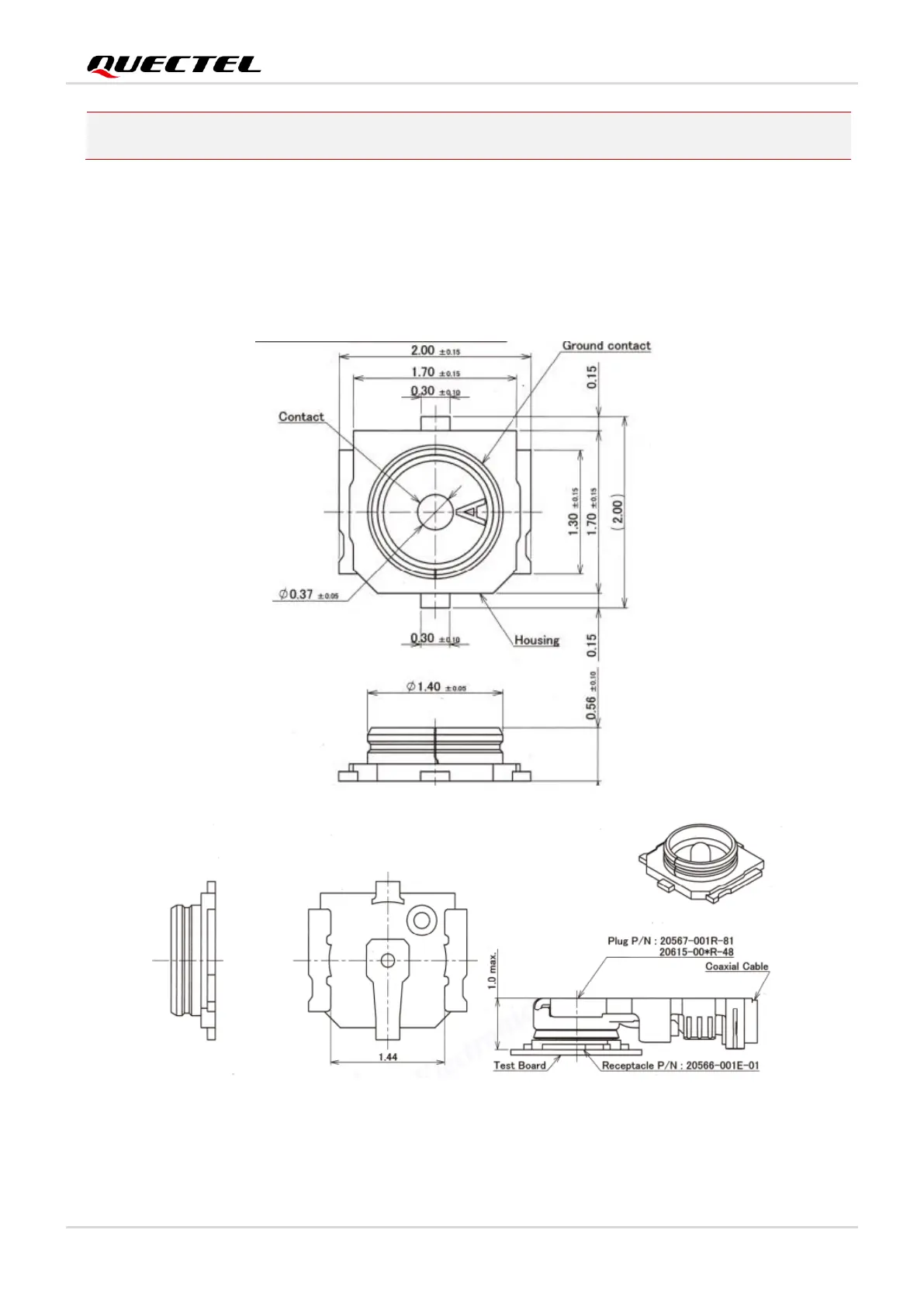
5.5. RF Connector Recommendation
The receptacle dimensions are illustrated as below.
Figure 42: Dimensions of the Receptacles (Unit: mm)
The following figure shows the dimensions of mated plugs using Ø0.81 mm coaxial cables.
antenna may generate harmonics which will affect the GNSS performance.

Table of Contents

Related product manuals