EasyManua.ls Logo

Ravelli Hydro - APPLIANCE OPERATING PHASES

Ravelli Hydro
Print Icon
To Next Page IconTo Next Page
To Next Page IconTo Next Page
To Previous Page IconTo Previous Page
To Previous Page IconTo Previous Page
Loading...
Use and maintenance manual Touch Radio Hydro
Pag.21
Rev.0 18/05/2021
EN
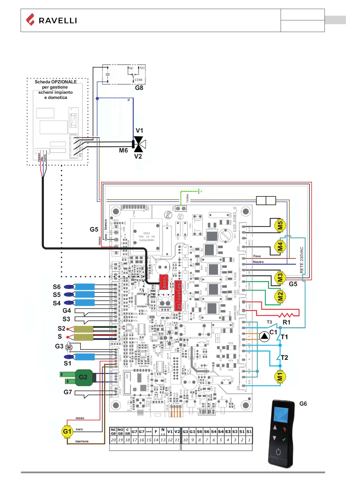
Electric scheme
LEGEND
Safeties
T1- Pellet safety
T2- Pressure switch
T3- Safeties door and/or ash
drawer
Motors
M1- Auger gear motor
M2- Heat exchanger
M3- Flue gas fan
M4- Automatic cleaner
M5- Compactor motor +
Turbulators
M6- Three-way valve
Resistance
R1- Igniter
Booster pump
C1- Booster pump
Three-way valve
V1- Domestic hot water (DHW)
V2- Heating
Probes
S- Flue gas probe (J)
S1- Probe H2O return / Probe Buffer L
S2- Flame probe (K)
S3- External thermostat / Room probe
S4- Probe DHW tank
S5- Probe H2O supply
S6- Probe Buffer H
Generic
G1-
Pressure transducer
(H2O)
G2- Air-flow meter
G3- Flow switch
G4- Automatic cleaner stroke counter
G5- Encoder for reading extractor rpm
G6- RADIO Touch handheld remote control
G7- Home automation management contact
G8- GAS ignition contact -
Home automation output alarm signalling (TRF 58)

Table of Contents

Other manuals for Ravelli Hydro

Related product manuals