EasyManua.ls Logo

Ravelli Hydro - Schema Elettrico

Ravelli Hydro
Print Icon
To Next Page IconTo Next Page
To Next Page IconTo Next Page
To Previous Page IconTo Previous Page
To Previous Page IconTo Previous Page
Loading...
Manuale uso e manutenzione Touch Radio Hydro
Pag.21
Rev.0 18/05/2021
IT
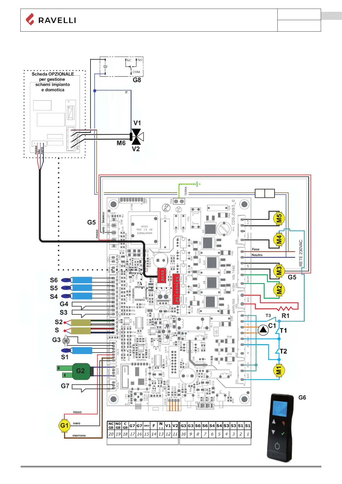
Schema elettrico
LEGENDA
Sicurezze
T1- Sicurezza pellet
T2- Pressostato fumi
T3- Sicurezze porta e/o cassetto
ceneri
Motori
M1- Motoriduttore coclea
M2- Scambiatore
M3- Estrattore fumi
M4- Pulitore automatico
M5- Compattatore + turbolatori
M6- Valvola 3 vie
Resistenza
R1- Resistenza
Circolatore
C1- Circolatore
Valvola 3 vie
V1- Sanitario
V2- Riscaldamento
Sonde
S- Sonda fumi (J)
S1- Sonda H2O ritorno / Sonda Puffer L
S2- Sonda fiamma (K)
S3- Termostato esterno / Sonda ambiente
S4- Sonda Boiler
S5- Sonda H2O mandata
S6- Sonda Puffer H
Generico
G1- Trasduttore di pressione (H2O)
G2- Debimetro
G3- Flussostato
G4- Conta colpi pulitore automatico
G5- Encoder lettura giri estrattore
G6- Palmare “RADIO” Touch
G7- Contatto domotica
G8- Contatto accensione GAS -
Segnalazione allarme uscita domotica (TRF 58)

Table of Contents

Other manuals for Ravelli Hydro

Related product manuals