EasyManua.ls Logo

Ravelli Hydro - Schakelschema

Ravelli Hydro
Print Icon
To Next Page IconTo Next Page
To Next Page IconTo Next Page
To Previous Page IconTo Previous Page
To Previous Page IconTo Previous Page
Loading...
Handleiding voor gebruik en onderhoud Touch Radio Hydro
Pag.21
Herz.0 18/05/2021
NL
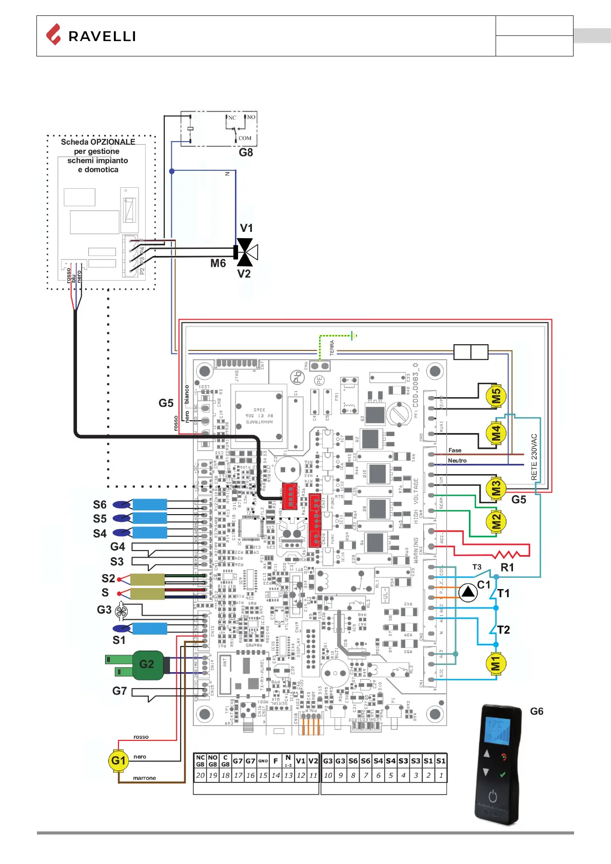
Schakelschema
LEGENDA
Beveiligingen
T1- Pellet veiligheid
T2- Drukschakelaar
T3- Veiligheid deur en/of aslade
Motoren
M1- Vijzel-motor
M2- Warmtewisselaar
M3- Rookgasafvoer
M4- Automatische reiniger
M5- Motor van de verdichter +
Turbulatoren
M6- Driewegklep
Weerstand
R1- Weerstand
Booster-pomp
C1- Booster-pomp
Driewegklep
V1- Warm water voor huishoudelijk gebruik
V2- Verwarming
Sondes
S- Rookgassonde (J)
S1- Sonde H2O retour / Sonde Buffer L
S2- Vlamvoeler (K)
S3- Externe thermostaat / Ruimtesonde
S4- Sonde Boiler
S5- Sonde H2O toevoer
S6- Sonde Buffer H
Algemeen
G1- Drukmeter (H2O)
G2- Luchtstroommeter
G3- Debietschakelaar
G4- Automatische reinigingsslagteller
G5- Encoder voor het aflezen van het
toerental van de afzuiger
G6- RADIO Touch-handafstandsbediening
G7- Contact voor woonbeheer
G8- GAS ontsteking contact -
Alarmmelding huisautomatiseringsuitgang
(TRF 58)

Table of Contents

Other manuals for Ravelli Hydro

Related product manuals