EasyManua.ls Logo

Ravelli Hydro - Elektrischer Anschluss

Ravelli Hydro
Print Icon
To Next Page IconTo Next Page
To Next Page IconTo Next Page
To Previous Page IconTo Previous Page
To Previous Page IconTo Previous Page
Loading...
Bedienungs- und Wartungshandbuch Touch Radio Hydro
Pag.21
Rev.0 18/05/2021
DE
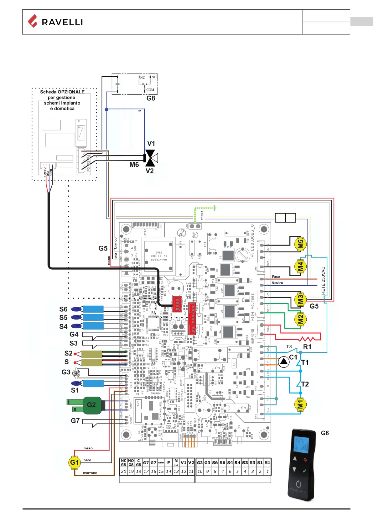
Elektrischer Anschluss
LEGENDE
Sicherheiten
T1- Sicherheit von Pellets
T2- Druckschalter
T3- Sicherheiten Tür und/oder
Asche-Schublade
Motoren
M1- Schneckengetriebemotor
M2- Wärmetauscher
M3- Abgasabsaugung
M4- Automatischer Reiniger
M5- Motor des Verdichters +
Turbulatoren
M6- Drei-Wege-Ventil
Widerstand
R1- Widerstand
Umwälzpumpe
C1- Umwälzpumpe
Drei-Wege-Ventil
V1- Warmwasser
V2- Heizung
Sonden
S- Abgassonde (J)
S1- Sonde H2O Rücklauf / Sonde Buffer L
S2- Flammenfühler (K)
S3- Externer Thermostat / Raumfühler
S4- Sonde Brauchwasserspeicher (DHW)
S5- Sonde H2O Ausgang
S6- Sonde Puffer H
Allgemein
G1- Drucksensor (H2O)
G2- Luftmengenmesser
G3- Durchflussmesser
G4- Automatischer Reiniger-Hubzähler
G5- Encoder zum Ablesen der Absaugerdrehzahl
G6- Handfernbedienung RADIO Touch
G7- Kontakt zur Steuerung der Hausautomation
G8- GAS-Zündkontakt - Haus-automations
Ausgang Alarmsignalisierung (TRF 58)

Table of Contents

Other manuals for Ravelli Hydro

Related product manuals