EasyManua.ls Logo

Raven AccuFlow Vortex - Page 87

Raven AccuFlow Vortex
98 pages
Print Icon
To Next Page IconTo Next Page
To Next Page IconTo Next Page
To Previous Page IconTo Previous Page
To Previous Page IconTo Previous Page
Loading...
System Diagram and Replacement Parts: Replacement Parts Drawings 83
SYSTEM DIAGRAM AND REPLACEMENT PARTS
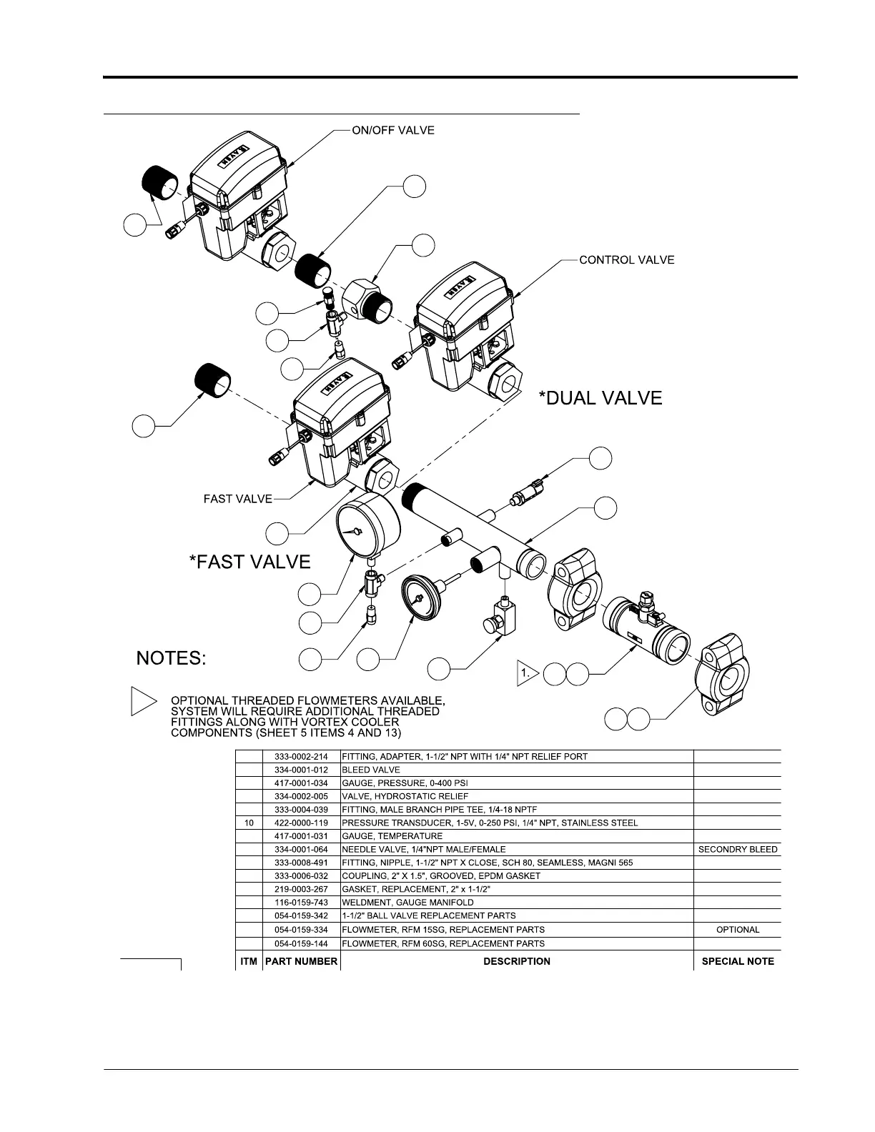
FIGURE 4. Gauge Tree, Sensor, Flowmeter & Valve Components (054-1201-001)
65
12
11
9
8
4
10
7
3
7
7
13
12
15
12
11
14
1
15
14
13
12
11
9
8
7
6
5
4
3
2
1
9
8
OF
SHEET

Table of Contents

Related product manuals